تایمر راه پله شیوا امواج
تایمر راه پله شیوا امواج دستگاهی است که برای کنترل روشنایی مکان هایی که به روشنایی دائم نیاز ندارند استفاده می شود. این تایمر در راه پله، حیاط، پارکینگ و موارد دیگر قابل استفاده است. زمانی که شما کلید چراغ راه پله را می زنید، چراغ برای تایم مشخصی روشن می ماند، سپس چراغ ها به صورت خودکار خاموش می شوند. این تایمر دارای یک پیچ تنظیم زمان می باشد که می توانید زمان روشن ماندن لامپ پس از فشردن کلید را با آن مشخص کنید و بعد از سپری شدن زمان تنظیم شده توسط شما لامپ خاموش می شود. استفاده از این دستگاه موجب صرفه جویی در مصرف انرژی می شود.
انواع تایمر راه پله شیواامواج
تایمر راه پله شیواامواج در 3 سایز مختلف تولید می شود. تایمری که ما در اینجا به توضیح آن می پردازیم تایمر راه پله شیوا با کد 14J1 است که ابعاد آن 36*86*65 mm می باشد. تایمر راه پله سری N به ابعاد 36*90*65mm می باشد و کد آن 14JN1 است. تایمر راه پله سری M به ابعادmm 88*18*71 می باشد و کد آن 14M-1 است.
ویژگی های تایمر راه پله شیوا امواج
- موجب افزایش عمر مفید لامپ ها از طریق خاموش شدن خودکار لامپ ها می شود.
- موجب صرفه جویی در مصرف برق می شود.
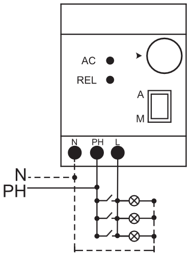
- دارای دو عدد نشانگر برای اعلام می باشد که نشانگر AC برق شبکه را نشان میدهد و نشانگر REL وصل شدن رله را نشان می دهد.
- دارای پیچ تنظیم زمان می باشد.
- دارای کلید حالت دستی (M) و اتوماتیک (A) می باشد.
- قابلیت نصب کلیدهای نامحدود را دارد.
- قابلیت پلمپ شدن پنل دستگاه را دارد.
- امکان نصب ساده و آسان روی ریل و سایر سطوح را دارد.
- دارای ابعاد کوچک (36*86*65 mm) می باشد.
مشخصات فنی تایمر راه پله شیوا امواج
- ولتاژ تغذیه: 50-60 HZ / 180-250 VAC
- تاخیر زمان قطع از 1 تا 10 دقیقه
- مصرف دستگاه در حالت انتظار تقریبا صفر
- خروجی: رله 16A
- شرایط محیطی: این تایمر در دمای -20 تا +65 درجه سانتی گراد و رطوبت 70 درصد کار می کند.
نقشه سیم کشی تایمر راه پله شیواامواج
تایمر شیوا را در مکان مورد نظرتان نصب کنید. طبق شکل زیر می توانید سیم کشی تایمر را انجام دهید.
این دستگاه به دو صورت اتوماتیک (A) و دستی (M) قابل استفاده است.
حالت اتوماتیک (Auto):
در حالت اتوماتیک شما می توانید با استفاده از پیچ تنظیم، زمان مد نظر خود را از 1 تا 10 دقیقه تنظیم کنید. بعد از این که زمان را تنظیم کردید، کلید روی دستگاه را در حالت A قرار داده و بعد از آن برق ورودی تایمر را وصل کنید. با فشار دادن کلید هر یک از لامپ ها، آن لامپ روشن می شود و پس از اتمام زمان تنظیم شده خاموش می گردد.
حالت دستی (Manual):
اگر بخواهید لامپ ها دائما روشن باشند می توانید از حالت دستی استفاده کنید به این صورت که کلید روی تایمر راه پله شیوا را در حالت M قرار دهید. در حالت دستی با زدن کلید یک لامپ، لامپ ها به صورت دائمی روشن می شوند. برای خاموش کردن لامپ ها می بایست کلید را به حالت A برگردانید تا بعد از سپری شدن زمان تنظیم شده لامپ ها خاموش شوند.
توجه داشته باشید اگر کلید تایمر راه پله شیوا در حالت دستی (Manual) باشد و لامپ ها روشن باشند و برق ورودی قطع و وصل شود در صورتی که بخواهیم لامپ ها را دوباره روشن کنیم باید کلید یکی از لامپ ها را فشار دهیم.
در جدول زیر می توانید حداکثر بار مجاز را مشاهده کنید و برای بارهای بالاتر از آن باید از کنتاکتور با آمپر مناسب استفاده کنید.
برای دریافت کاتالوگ و دفترچه راهنمای این محصول اینجا کلیک کنید.

