اینورتر LS IV5 | اینورتر ال اس سری IV5
مقدمه
اینورتر LS IV5 (با نام فنی LSLV-iV5) یک درایو برداری (Vector Control) از برند LS ELECTRIC است که برای کنترل دقیق سرعت و گشتاور در ماشینآلات فرآیندی، بالابرها و خطوط سنگین توسعه یافته است. این مقاله، نقش یک کاتالوگ فارسی درایو ال اس IV5 را ایفا میکند و با اتکا به دیتاشیت اینورتر LS IV5 و دفترچه رسمی، تمام نکات کلیدی را از انتخاب و سایزبندی تا راهاندازی، دیاگرامهای قدرت و کنترل، ابعاد، پلاکخوانی و لیست قیمت اینورتر LS IV5 پوشش میدهد.
دیتاشیت اینورترLS IV5
کاتالوگ فارسی درایو ال اس IV5
مشخصات فنی کامل اینورترLS IV5
در ادامه به بررسی مشخصات فنی این درایو طبق دیتاشیت اینورترLS IV5 میپردازیم:
رنج توانی و کلاسهای ولتاژ
- کلاس ۲۰۰ ولت سهفاز: از ۲.۲ تا ۳۷ کیلووات، ورودی ۲۰۰–۲۳۰Vac (±۱۰%)، فرکانس ۵۰/۶۰Hz (±۵%). خروجی سرعت ۰ تا ۳۶۰۰
- کلاس ۴۰۰ ولت سهفاز (AC): از ۲.۲ تا ۵۰۰ کیلووات، ورودی ۳۸۰–۴۸۰Vac (±۱۰%)، ۰–۳۶۰۰ rpm؛ برای ولتاژهای ورودی بالای ۴۸۰Vac نیاز به دیریت ۱۰٪ جریان نامی است.
- ورودی DC 540–680V برای مدلهای DC-input در توانهای ۵.۵ تا ۵۰۰kW؛ در ولتاژ DC بالاتر از ۶۸۰V، جریان نامی ۱۰٪ دیریت میشود.
روشهای کنترلی و دقت
- Vector Control با سنسور سرعت (انکودر) و Sensorless Vector؛ دقت کنترل سرعت (تنظیم دیجیتال/آنالوگ) تا ±۰.۱٪ در ۱۸۰۰ rpm، رزولوشن ۰.۱ rpm. دقت کنترل گشتاور ۳٪.
ظرفیت اضافهبار و ترمز
- اضافهبار ۱۵۰٪ برای ۱ دقیقه (CT)، ترمز دینامیکی با مقاومت خارجی (DB) تا ۱۵۰٪ گشتاور؛ برای توانهای بالا، استفاده از Braking Unit الزامی است.
- جدول انتخاب مقاومت ترمز برای مدلهای ۲.۲ تا ۲۲kW (کلاس ۲۰۰/۴۰۰V) در دیتاشیت اینورترLS IV5 ارائه شده است؛ نمونه: SV075iV5-4DB → مقاومت ۶۰Ω / ۱۲۰۰W (۵٪ ED).
فرکانس سوئیچینگ (PWM)
- قابل تنظیم (بسته به توان): ۲.۵ تا ۱۰kHz برای توانهای پایینتر، و مقادیر پایینتر برای توانهای بالاتر جهت مدیریت تلفات حرارتی (مثلاً ۲kHz برای ۲۸۰–۳۷۵kW).
I/O و ترمینالهای کنترلی
- ورودیهای دیجیتال: FX، RX، BX، RST و P1…P7 (۴۶ فانکشن قابل نگاشت: چندسرعته، JOG، ۳-سیمه، جلوگیری از جهت، ورودی خطای B-contact، انتخاب مد سرعت/گشتاور، باتریران، SoftStartCancel، …).
- ورودیهای آنالوگ: سه کانال AI1/AI2/AI3 (ولتاژی ±۱۰V و ۰–۱۰V، جریانی ۰/۲۰mA؛ AI3 برای NTC/PTC موتور)، با بIAS و GAIN و تشخیص قطع سیگنال.
- خروجیهای آنالوگ: دو کانال AO1/AO2 (قابل نگاشت به دهها منبع: سرعت، جریان، گشتاور، خطا، قطر رول در وبکنترل و …).
- خروجیهای رلهای: ۳۰A/30C/30B (آلارم)، ۱A/1B و ۲A/2B؛ خروجی OC1/EG تا ۲۴V/50mA.
- RS-485 داخلی (Modbus-RTU/LS Bus) تا ۳۸۴۰۰bps، حداکثر ۱۶ درایو روی یک باس تا ۱۲۰۰m (توصیه ≤۷۰۰m).
انکودر و آتوتیونینگ
- پشتیبانی انکودر Line-Driver/Open-Collector (۵V/۱۵V/۲۴V با انتخاب مدل)، اتوتیونینگ چرخشی/ساکن، تشخیص خطای H/W و S/W انکودر (PAR_12، PAR_14/15، PAR_21).
- کارت تقسیم پالس انکودر (Encoder Division Output) با تنظیم نسبت ۱ تا ۱/۱۲۸ برای مانیتورینگ/PLC.
ایمنی، محیط و گواهیها
- دمای محیط کار: ۴۰~۱۰-°C، رطوبت <۹۰٪ بدون میعان، نصب در محیط داخلی (Pollution Degree 2)، خنککاری اجباری؛ IP00 (۲.۲–۵۰۰kW) و IP20 برای برخی مدلهای Press.
- علائم CE/UL/EAC و انطباق با EN 61800-5-1 و EN 61800-3.
جدول مقایسه کامل اینورتر LS IV5 با دیگر سریهای LS
سری اینورتر LS | توان(kW) | فرکانس خروجی(Hz) | ظرفیت اضافه بار | پروتکل ارتباطی | نوع کنترل | ولتاژ ورودی |
| M100 | 0.1-2.2 | 0-400 | 150 درصد جریان نامی به مدت 1دقیقه | Modbus RTU روی RS485 وLS INV 485 | V/F schedule control Slip compensation control Simple sensorless control | تکفاز220V |
| IE5 | 0.1-0.4 | 0.1-200 | 150 درصد جریان نامی به مدت 1دقیقه | RS485 (LS Bus / Modbus RTU) | V/F | تکفاز220V |
| IG5A | 0.5-22 | 0.1-400 | 150 درصد جریان نامی به مدت 1دقیقه | RS485 (LS Bus / Modbus RTU) ماژول جانبی DeviceNet, EtherNet, Profibus-DP, CANOpen | V/f, Slip compensation, Sensorless vector | تکفاز220V سه فاز 220V سه فاز 380V |
| IS5 | 0.75-75 | 0-400 | Modbus RTU, Profibus-DP, DeviceNet, RS485(LS Bus), Fnet(LS PLC link) | V/f, Sensorless vector, Sensored vector control (Optional) | سه فاز 220V سه فاز 380V | |
| G100 | 0.4-22 | 0-400 | Heavy Duty (HD) 150درصد جریان نامی به مدت 60ثانیه Normal Duty (ND) 120درصد جریان نامی به مدت 60ثانیه | ModBus RTU LS INV 485 کارت های جانبی: Modbus TCP/IP,EtherNet/IP and RAPIEnet Profibus-DP, CANopen | V/F, Slip Compensation, Sensorless Vector | سه فاز 220V سه فاز 380V |
| IP5A | 5.5-450 | 0.1-120 | 120درصد جریان نامی به مدت 60ثانیه 110درصد جریان نامی به مدت 60ثانیه | RS485(LS Bus) کارت های جانبی: Modbus RTU, DeviceNet, Profibus-DP, LonWorks, BACnet, Modbus TCP*, CANOpen, CC-Link | V/f, Slip compensation, Sensorless vector | سه فاز 220V سه فاز 380V |
| IS7 | 0.75-375 | 0.1-400 Sensorless-1 control: 0.01-300Hz Sensorless-2 or Sensored control: 0.01-120Hz | Heavy Duty (HD) 150درصد جریان نامی به مدت 60ثانیه Normal Duty (ND) 110درصد جریان نامی به مدت 60ثانیه | RS485(LS Bus / Modbus RTU) کارت جانبی: Profibus-DP, DeviceNet, Modbus TCP, Rnet, LonWorks, CANopen, EtherNet/IP | V/f, V/f PG, Slip compensation, Sensorless-1 vector, Sensorless-2 vector, Sensored vector | سه فاز 220V سه فاز 380V |
| IV5 | 2.2-800 | 50-60 | – | کارت جانبی: RS485(LS Bus / Modbus RTU), Profibus-DP, DeviceNet | Sensor vector | سه فاز 220V سه فاز 380V |
| H100 | 0.75-90 | 0-400 | 120درصد جریان نامی به مدت 60ثانیه | BACnet, Modbus-RTU(RS485), Metasys N2 | V/F control, slip compensation | سه فاز 220V سه فاز 380V |
| S100 | 0.4-75 | 0-400 | Heavy Duty (HD) 150درصد جریان نامی به مدت 60ثانیه Normal Duty (ND) 120درصد جریان نامی به مدت 60ثانیه | کارت جانبی: rofibus-DP, EtherNet-IP, Modbus-TCP, CANopen | V/f, Slip compensation, Sensorless vector | تکفاز220V سه فاز 220V سه فاز 380V |
برای جزئیات ویژگیهای iV5 میتوانید کاتالوگ رسمی شرکت LS درباره درایو ال اس iv5 را نیز ببینید.
کاربرد درایو اینورتر LS IV5 در صنعت
نحوه پلاکخوانی اینورترLS IV5 | درایو ال اس IV5
فرمت مدل: SV [####] iV5 – [2/4] [DB/DC] (MD) (380V) (ENC) که در آن:
- ۲/۴: کلاس ۲۰۰/۴۰۰ ولت
- DB: مقاومت ترمز داخلی
- DC: ورودی DC
- MD: قالب Mold در توانهای ۲.۲–۲۲kW
- (ENC): نوع انکودر (۵V/۱۵V/۲۴V). ظرفیت با کدهای ۰۲۲ تا ۵۰۰۰ (۲.۲ تا ۵۰۰kW) مشخص میشود.
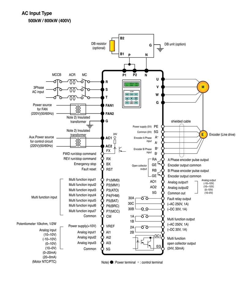
دیاگرام ورودی و خروجیهای اصلی اینورتر الاس IV5
- ورودی سهفاز AC به ترمینالهای R/S/T (یا ورودی DC به P(+)/N(−) در مدلهای DC-input). خروجی موتور به U/V/W.
- DC-Bus/Brake: ترمینالهای P/B1، B2، N برای مقاومت/واحد ترمز؛ ترمینالهای P1/P2 برای راکتور DC (طبق نقشه).
- برای مدلهای توان خیلی بالا (مثلاً ۵۰۰kW-4)، تغذیه AC 220V جداگانه برای فنها الزامی است (ترتیب پاور on/off مشخص).
توصیه سیمکشی قدرت و ارتینگ بر اساس جداول سایز سیم IEC/UL در فصل مربوط به اتصالات در دیتاشیت اینورتر LS IV5 ارائه شده است.
دیاگرام ورودی/خروجیهای کنترلی اینورتر الاس IV5
- فرمانها:
- FX (RUN/FWD)، RX (RUN/REV)، BX (EMG Stop/Free-run)، RST (Fault Reset).
- P1…P7: ورودیهای چندمنظوره قابل برنامهریزی (Multi-function) برای سرعتهای چندمرحلهای، JOG، ۳-سیمه، PID Disable، انتخاب مد گشتاور/سرعت، تایمر و… .
- آنالوگها:
- AI1/AI2/AI3 با مدهای ولتاژی/جریانی و پشتیبانی NTC/PTC (AI3).
- انکودر: ورودی A/B و تغذیه ۵V، خروجی مانیتورینگ A/B (اختیاری با کارت Encoder Division Output).
- شبکه: RS-485 داخلی، آدرسدهی ۱–۲۵۰، قالب Modbus-RTU/LS Bus؛ تشخیص قطع ارتباط (EXT_36/37).
اجزای مختلف اینورتر LS IV5
- یکسوکننده منبع ولتاژ (IGBT-Based VSI)، باس DC، اینورتر IGBT سهفاز با کنترل برداری و ASR (PI) داخلی.
- واحد ترمز داخلی/خارجی، راکتور DC (در برخی فریمها)، واحد فن خنککننده (گاهی با تغذیه AC مجزا در توانهای بالا).
- برد کنترل و I/O توسعهپذیر: بردهای گزینهای EL I/O (الواتور)، SYNC I/O (همگامسازی)، SIN/COS، EXTN I/O و کارتهای شبکه (Profibus-DP، DeviceNet، CC-Link، RS-485).
لیست قیمت درایو ال اس IV5
قیمت اینورتر LS IV5 بسته به توان/کلاس ولتاژ، وجود DB داخلی، ورودی DC، نوع انکودر/آپشن و گارانتی متفاوت است. برای خرید اینورتر LS IV5 و اطلاع از قیمت فروش اینورتر LS IV5 میتوانید از لینک زیر اقدام کنید؛ یا با کارشناسان ما در تتاصنعت تماس بگیرید:02191091022
نتیجهگیری تخصصی
خرید اینورتر LS IV5 یک درایو برداری صنعتی High-Performance است که هم در Process/Web (کنترل کشش، قطر، سنکرون) و هم در Hoist/Elevator (Battery-Run، Torque Mode) عملکردی مطمئن ارائه میکند. با I/O غنی، RS-485 داخلی، گزینههای شبکه صنعتی و کارتهای کاربردی (الواتور، همگامسازی، تقسیم پالس)، این درایو برای پروژههایی که کنترل سرعت/گشتاور دقیق، انتخابی اطمینانبخش است. رعایت دقیق موارد مربوط به فصل اتصالات/سیمکشی، انتخاب صحیح مقاومت/واحد ترمز و تنظیمات انکودر/اتوتیونینگ مطابق دیتاشیت اینورتر LS IV5، ضامن پایداری بلندمدت سیستم خواهد بود.
دیتاشیت و لیست قیمت اینورتر LS IV5
برای خرید و دریافت لیست قیمت اینورتر LS IV5 بر اساس مدل/توان، پیشفاکتور رسمی، موجودی کارتهای شبکه و کاتالوگ فارسی اینورتر LS IV5 در قالب PDF، مشخصات پروژه (توان/کلاس ولتاژ/کاربرد/انکودر/ترمز) را ارسال کنید تا برای خرید یک پیشنهاد فنی-مالی دقیق و منطبق بر دیتاشیت اینورتر LS IV5 آماده شود. همچنین اگر «نصب و راهاندازی درایو IV5» در محل نیاز دارید، اطلاعات تابلو و موتور را اعلام کنید تا چکلیست راهاندازی و پارامترینگ بهصورت مرحلهبهمرحله ارائه گردد.
پرسشهای متداول
❓ تفاوت «اینورتر LS iV5» با «درایو LS iV5» چیست؟
هیچ تفاوتی ندارد؛ **iV5 / IV5** بهصورت مترادف در بازار بهکار میرود و منظور **LSLV-iV5** است.
❓ آیا اینورتر الاس iV5 برای بالابر (آسانسور) مناسب است؟
بله؛ بهدلیل **گشتاور راهاندازی بالا**، **مد Torque**، **Battery-Run** و توابع **تعادل بار/گشتاور**، گزینهای حرفهای برای **آسانسور و جرثقیل** است.
❓ حداکثر طول کابل موتور در استفاده از درایو LS iV5 چقدر است؟
طبق راهنمای نصب، **جداسازی کانال قدرت/کنترل الزامی** است و طولها باید رعایت شوند؛ برای **کانالهای کنترل** محدودیت **۳۰۰ m** (و **≤۱۰۰ m** برای **≤۳.۷ kW**) ذکر شده است. برای **کابل موتور**، بهکارگیری **فیلتر/راکتور** و رعایت دستورالعملهای **EMC** توصیه میشود.
❓ آیا درایو LS iV5 بدون انکودر هم برای کنترل سرعت و گشتاور کار میکند؟
بله؛ **Sensorless Vector** در دسترس است، اما برای **دقت سرعت/گشتاور بالا** (وب/بالابر) استفاده از **Encoder** توصیه میشود.
❓ تشخیص خطای انکودر در درایو LS iV5 چگونه است؟
با پارامترهای **PAR_12، PAR_14/15** و اجرای **تست چرخشی Auto-Tuning** برای تفکیک **HW/SW Error**.
❓ در درایو LS iV5 فرکانس سوئیچینگ را روی چند تنظیم کنم؟
بسته به **توان فریم** و شرایط **گرمایی**؛ برای توانهای بالا معمولاً مقادیر **پایینتر (≈۲–۵ kHz)** توصیه میشود تا از **اشباع حرارتی** جلوگیری شود.
❓ آیا اینورتر LS iV5 گواهیهای CE/UL دارد؟
بله؛ در دیتاشیت انطباق با **EN 61800-5-1** و **EN 61800-3** و علائم **CE/UL/EAC** ذکر شده است.
نمایش 1–20 از 27 نتیجه



