اینورتردلتا MS300 | درایو دلتا MS300 | راهنمای کامل اینورتر دلتا سری MS300
مقدمه
اینورتر دلتا MS300 نسل استاندارد درایوهای کامپکت دلتا برای کنترل برداری سرعت/گشتاور است که ضمن حفظ اندازهی فشرده، مجموعهای از قابلیتهای صنعتی را در خود جای داده است. مطابق با کاتالوگ و دیتاشیت اینورتر دلتا MS300 ، قابلیت پشتیبانی از موتورهای القایی IM و PM، چاپر ترمز داخلی، PLC داخلی ﹙استپ 𝟐K﹚، درگاه USB ، ورودی/خروجی پالس 𝟑𝟑kHz، و STO.همه این مشخصات، MS300 را به گزینهای مطمئن برای ماشینابزار، بستهبندی، نوارنقاله، پمپ و فن تبدیل کرده است.
در نسخههای استاندارد، بازه فرکانس خروجی 𝟎 تا 𝟓𝟗𝟗 هرتز و در مدلهای High﹣Speed تا 𝟏𝟓𝟎𝟎 هرتز پشتیبانی میشود؛ بهاین ترتیب دامنهی وسیعی از کاربردهای سرعت بالا نیز پوشش داده میشود.
برای انتخاب دقیق ظرفیت و مدل اینورتر DELTA MS300 متناسب با بار و محیط کاری، گفتوگو با کارشناس فنی بهترین تصمیم است. تیم تتاصنعت در لالهزار با گارانتی ۱۸ماهه، مشاوره قبل از خرید و پشتیبانی پس از فروش کنار شماست. همین حالا تماس بگیرید:𝟎𝟐𝟏𝟗𝟏𝟎𝟗𝟏𝟎𝟐𝟐
مشخصات فنی کامل اینورتر ( درایو ) دلتا MS300
مطابق با کاتالوگ و دیتاشیت اینورتر دلتا MS300 مشخصات زیر استخراج میگردد :
روشهای کنترلی: V/f ، SVC ،FOC سنسورلس؛ قابلاستفاده برای IM ، IPM و SPM
بازه فرکانس خروجی: Hz 𝟎–𝟓𝟗𝟗 ﹙استاندارد﹚، Hz 𝟎–𝟏𝟓𝟎𝟎 High﹣Speed
ظرفیت اضافه بار درایو دلتا MS300:
- “Normal Duty ﹙ND﹚
𝟏𝟐𝟎درصد جریان نامی به مدت 𝟔𝟎ثانیه
𝟏𝟓𝟎درصد جریان نامی به مدت 𝟑 ثانیه
- Heavy Duty ﹙HD﹚
𝟏𝟓𝟎درصد جریان نامی به مدت 𝟔𝟎 ثانیه
𝟐𝟎𝟎درصد جریان نامی به مدت 𝟑 ثانیه
پشتیبانی از کنترل حلقهباز برای موتورهای القایی IM و مغناطیس دائم PM.
فرکانس خروجی:
مدلهای استاندارد: ۰ تا ۵۹۹ هرتز
مدلهای سرعتبالا: ۰ تا ۱۵۰۰ هرتز فقط در کنترل V/f برای موتور IM
طراحی دوگانه﹙Dual Rating﹚:
۱۲۰٪ بهمدت ۶۰ ثانیه در حالت Normal Duty ﹙ND﹚
۱۵۰٪ بهمدت ۶۰ ثانیه در حالت Heavy Duty ﹙HD﹚
PLC داخلی با ظرفیت برنامهنویسی ۲k استپ.
چاپر ترمز داخلی برای تمامی مدلهای این سری.
کیپد LED پنجرقمی قابلجداسازی برای بهرهبرداری و کنترل از راه دور.
قابلیت Safe Torque Off ﹙STO﹚
فیلتر EMC داخلیِ اختیاری با استاندارد Class A ﹙C𝟐﹚ برای مدلهای تکفاز 𝟐𝟑𝟎V و سهفاز 𝟒𝟔𝟎V
ورودی پالس پرسرعت: یک ترمینال MI𝟕 با حداکثر فرکانس 𝟑𝟑kHz
خروجی پالس پرسرعت: یک ترمینال DFM با حداکثر فرکانس 𝟑𝟑kHz.
ارتباطات داخلی و کارت های اختیاری: RS﹣𝟒𝟖𝟓 ﹙Modbus﹚ داخلی و کارتهای ارتباطی اختیاری شامل CANopen، PROFIBUS DP، DeviceNet، Modbus TCP، EtherNet/IP، EtherCAT، PROFINET.
جدول مقایسه اینورتر MS300 با دیگر سریهای دلتا
هنگام خرید اینورتر دلتا MS300 مطابق با دیتاشیت و کاتالوگ اینورتر دلتا MS300 داریم :
| سری اینورتر دلتا | توان(kW) | فرکانس خروجی(Hz) | ظرفیت اضافه بار | پروتکل ارتباطی | نوع کنترل | ولتاژ ورودی |
| MS300 | 0.2-22 | 0-599 | Normal Duty (ND) 120درصد جریان نامی به مدت 60ثانیه 150درصد جریان نامی به مدت 3 ثانیه Heavy Duty (HD) 150درصد جریان نامی به مدت 60ثانیه 200درصد جریان نامی به مدت 3 ثانیه | Modbus RTU روی RS485 کارت های جانبی: PROFIBUS DP, DeviceNet, Modbus TCP, EtherNet/IP, CANopen, EtherCAT, PROFINET | V/F SVC FOC Sensorless | تکفاز 115V تکفاز 230V 3فاز 230V 3فاز 460V 3 فاز 575V |
| EL-W | 0.2-5.5 | 0.1-400 | 150درصد جریان نامی به مدت 60ثانیه | Modbus RTU روی RS485 | SPWM (Sinusoidal Pulse Width Modulation) control (V/F Control, Vector Control) | تکفاز 200-240V سه فاز 380-400V |
| C200 | 0.75-630 | 0-599 | Normal Duty (ND) 120درصد جریان نامی به مدت 60ثانیه برای هر 5 دقیقه 160درصد جریان نامی به مدت3ثانیه برای هر30 ثانیه Heavy Duty (HD) 150درصد جریان نامی به مدت 60ثانیه برای هر 5 دقیقه 180درصد جریان نامی به مدت3ثانیه برای هر30 ثانیه | Modbus RTU روی RS485 CANopenکارت جانبی | V/F SVC VF+PG FOC+PG | تکفاز و سه فاز 230-460V |
| C2000 | 0.75-630 | 0-599 | Normal Duty (ND) 120درصد جریان نامی به مدت 60ثانیه برای هر 5 دقیقه 160درصد جریان نامی به مدت3ثانیه برای هر30 ثانیه Heavy Duty (HD) 150درصد جریان نامی به مدت 60ثانیه برای هر 5 دقیقه 180درصد جریان نامی به مدت3ثانیه برای هر30 ثانیه | Modbus RTU روی RS485 EtherNet/IP and MODBUS TCP protocol | 230 V / 460 V model: V / FSVCVF+PG FOC+PG TQC+PG PM+PG FOC sensorless TQC sensorless V / F+PG SVC | 230V 460V 575V 690V |
| CP2000 | 0.75-630 | 0-599 | Light Duty (LD) 120درصد جریان نامی به مدت 60ثانیه برای هر 5 دقیقه Normal Duty (ND) 120درصد جریان نامی به مدت 60ثانیه برای هر 5 دقیقه 160درصد جریان نامی به مدت3ثانیه برای هر30 ثانیه | BACnet and Modbus کارت های جانبی:PROFIBUS DP, PROFINET, DeviceNet, Modbus TCP, CANopen, CANopen and BACnet IP | V/F (V/F control) SVC (Sensorless Vector Control) PM (Permanent Magnet Motor) | 230V 460V 575V 690V |
| CH2000 | 0.75-450 | 0-599 | 200درصد جریان نامی به مدت 3 ثانیه برای هر 30 ثانیه 150درصد جریان نامی به مدت 60ثانیه برای هر 5 دقیقه | Modbus RTU روی RS485 CANopen/CANopen/EtherNet-IP/MODBUS TCP | V/F SVC VF + PG FOC + PG TQC + PG | تکفاز 115V تکفاز 230V |
| EL | 0.2-3.7 | 0.1-599 | 150درصد جریان نامی به مدت 60ثانیه | Modbus RTU روی RS485 PROFIBUS/ DeviceNet / CANopen | SPWM (Sinusoidal Pulse Width Modulation) control (V/F control) | تکفاز 115V تکفاز 230V |
| B | 0.75-75 | 0.1-400 | 150درصد جریان نامی به مدت 60ثانیه | Modbus RTU روی RS485 | SPWM (Sinusoidal Pulse Width Modulation) control (V/F control) | تکفاز و سه فاز 230V سه فاز460V سه فاز575V |
| ME300 | 0.1-7.5 | 0-599 | Normal Duty (ND) 120درصد جریان نامی به مدت 60ثانیه 150درصد جریان نامی به مدت 3 ثانیه Heavy Duty (HD) 150درصد جریان نامی به مدت 60ثانیه 200درصد جریان نامی به مدت 3 ثانیه | Modbus RTU روی RS485 | V/F SVC | تکفاز و سه فاز 230V سه فاز460V سه فاز575V |
| MH300-L | 0.2-15 | 0-299 | 150درصد جریان نامی به مدت 60ثانیه 200درصد جریان نامی به مدت 3 ثانیه | RS-485 (Modbus) / CAN port | V/F, SVC | 3فاز230V 3فاز 460V |
| M | 0.2-7.5 | 0.1-400 | 150درصد جریان نامی به مدت 60ثانیه | Modbus RTU روی RS485 | SPWM (Sinusoidal Pulse Width Modulation) control (V/F control) | تکفاز و سه فاز 230V سه فاز460V سه فاز575V |
کاربرد درایو DELTA سری MS300 در صنعت
ماشینابزار﹣ Machine tools
ماشینهای نساجی﹣ Textile machines
ماشینهای صنایع چوب / چوبکاری﹣ Woodworking machines
ماشینهای بستهبندی﹣ Packaging machines
تجهیزات الکترونیکی ﹙کاربردهای صنعت الکترونیک﹚﹣ Electronics
فنها / هواکشها﹣ Fans
پمپها﹣ Pumps
کمپرسورهای هوا – Air compressors
نحوه پلاکخوانی و مدلکد اینورتر دلتا مدل MS300
ساختار مدل ﹙نمونه﹚ VFD 𝟒A𝟖 MS 𝟐𝟑 A N S A A اطلاعات کلیدی را نمایش میدهد:
- سری ﹙MS﹚
- ولتاژ ورودی 𝟏𝟏/𝟐𝟏/𝟐𝟑/𝟒𝟑/𝟓𝟑
- درجه حفاظت A=IP𝟐𝟎، E=IP𝟒𝟎، M=IP𝟔𝟔، P=Plate
- EMC ﹙N/F﹚
- نوع مدل A استاندارد، H High﹣Speed
- STO ﹙S ﹚
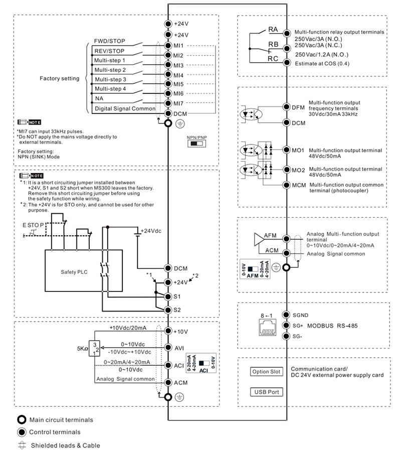
دیاگرام ورودی/خروجیهای اصلی درایو دلتا MS300
مطابق با دیتاشیت و کاتالوگ اینورتر دلتا MS300 جدول زیر قابل بررسی است :
| توضیحات | نام ترمینال |
| ترمینالهای ورودی شبکه برای تکفاز ﹙Mains input – 𝟏φ﹚. | R/L𝟏, S/L𝟐 |
| ترمینالهای ورودی شبکه برای سهفاز ﹙Mains input – 𝟑φ﹚. | R/L𝟏, S/L𝟐, T/L𝟑 |
| ترمینالهای خروجی درایو AC جهت اتصال به موتور سهفاز ﹙IM/PM﹚. | U/T𝟏, V/T𝟐, W/T𝟑 |
| محل اتصال راکتور DC برای بهبود ضریب توان ﹙Power Factor﹚ پیش از نصب راکتور DC، جامپر مربوطه را بردارید. | +𝟏, +𝟐 |
| محل اتصال واحد ترمز ﹙Brake Unit سری VFDB﹚ / همچنین دسترسی به باس DC مشترک ﹙Common DC Bus﹚. | DC+, DC− |
| محل اتصال مقاومت ترمز اختیاری | B𝟏, B𝟐 |
| ترمینال ارت؛ اجرای اتصال زمین مطابق با مقررات محلی الزامی است. | ⏚ ﹙PE / Ground﹚ |
دیاگرام ورودی/خروجیهای کنترلی ﹙I/O﹚ در درایو DELTA MS300
مطابق با اطلاعات ارائه شده در کاتالوگ و دیتاشیت اینورتر دلتا MS300 :
ورودیهای آنالوگ: AVI/ACI قابل انتخاب 𝟎-𝟏𝟎V، 𝟏𝟎V±، 𝟒﹣𝟐𝟎mA
خروجی آنالوگ: AFM قابل انتخاب تا 𝟎﹣𝟏𝟎V
ورودی/خروجی پالس: ورودی kHz 𝟑𝟑 و خروجی kHz 𝟑𝟑
دیجیتال I/O چندمنظوره: Multi﹣Function Inputs/Outputs قابل پیکربندی برای RUN/FAULT/Speed﹣Reached و… .
ارتباطات: RS﹣𝟒𝟖𝟓 ﹙Modbus﹚ داخلی + کارتهای Fieldbus اختیاری
اجزای مختلف اینورتر دلتا MS300
کیپد قابل جداسازی قابلیت انتقال تنظیمات/کپی پارامترها از طریق USB
پورت USB داخلی برای تنظیم/آپدیت آفلاین و مانیتورینگ.
ترمینالهای فنری بدون پیچ برای سیمکشی سریع کنترل.
روکش برد 𝟑C𝟐 و طراحی IP𝟒𝟎/IP𝟔𝟔 برای محیطهای سخت
لیست قیمت درایو دلتا DELTA MS300 | راهنمای خرید
برای استعلام لحظهای لیست قیمت اینورتر دلتا MS300، موجودی و زمان تحویل از نمایندگی DELTA لالهزار، با تتاصنعت تماس بگیرید: 𝟎𝟐𝟏𝟗𝟏𝟎𝟗𝟏𝟎𝟐𝟐. سفارشها با گارانتی ۱۸ماهه تتاصنعت، اصالت کالا، پیشفاکتور رسمی و پشتیبانی فنی ارائه میشوند.
نتیجهگیری تخصصی
اگر بهدنبال درایوی کامپکت و صنعتی با STO ، چاپر داخلی، قابلیت ارتباطی گسترده و مدلهای High﹣Speed هستید، خرید اینورتر دلتا DELTA MS300 یکی از بهترین انتخابها در کلاس خود است. تلفیق گستره ولتاژ/توان، درجه حفاظت و PLC داخلی ریسک مهندسی و زمان راهاندازی پروژه را کاهش میدهد. برای انتخاب مهندسیشده و مطمئن، از پشتیبانی فنی تتاصنعت استفاده کنید.
راهنمای خرید و دریافت لیست قیمت اینورتر دلتا MS300
همین حالا برای خرید و استعلام قیمت اینورتر ( درایو ) دلتا DELTA MS300، انتخاب مدل درست و دریافت لیست قیمت اینورتر MS300 با تحویل سریع و گارانتی ۱۸ماهه تتاصنعت تماس بگیرید:𝟎𝟐𝟏𝟗𝟏𝟎𝟗𝟏𝟎𝟐𝟐
تیم ما در نمایندگی دلتا در لالهزار آمادهی ارائهی مشاوره فنی، بررسی سازگاری مدل انتخابی شما با موتور/بار و ارائهی پیشفاکتور رسمی است.
پرسشهای متداول
❓ تفاوت اینورتر دلتا MS300 با ME300 چیست؟
**ME300** نسخه اقتصادیتر برای کاربریهای عمومی سبک/متوسط با تمرکز بر سادگی است؛ **MS300** امکانات پیشرفتهتری مثل **High-Speed**، **STO** و **چاپر ترمز داخلی** را بهصورت گسترده ارائه میدهد.
❓ آیا درایو DELTA MS300 برای اسپیندلهای سرعت بالا مناسب است؟
بله؛ **High-Speed تا 1500 Hz** در حالت **V/f** پشتیبانی میشود.
❓ درایو DELTA MS300 چاپر ترمز داخلی دارد یا باید جدا تهیه شود؟
کل سری **چاپر داخلی** دارد؛ میتوانید مقاومت ترمز را به پایانههای **B1/B2** وصل کنید.
❓ آیا درایو DELTA MS300 قابلیت ایمنی STO دارد؟
بله؛ **Safe Torque Off (SIL2/PLd)** بهصورت یکپارچه ارائه میشود.
❓ آیا در اینورتر DELTA MS300 فیلتر EMC داخلی روی همه مدلها هست؟
خیر؛ فقط برخی کدمدلها با **پسوند F** دارای فیلتر داخلی **Class A (C2)** هستند.
❓ آیا MS300 برای موتورهای PM هم کار میکند؟
بله؛ از **IM** و **PM** در حالتهای **FOC، SVC** و **V/f سنسورلس** پشتیبانی میکند. ابتدا پارامترهای موتور را دقیق وارد کنید و در صورت نیاز **Auto-Tune** انجام دهید.
نمایش همه 14 نتیجه



