ترموستات تابلویی شیوا امواج
ترموستات تابلویی شیوا امواج، جهت کنترل دما تجهیزات سرمایشی و گرمایشی استفاده می شود و کاربرد دیگر این دستگاه می توان به عنوان سوئیچ اتصال برای دستگاه های هشدار دهنده دما استفاده کرد. ترموستات تابلویی شیواامواج در دو مدل در بازار موجود می باشد که TC-70H مدل گرمایشی و TC-70C مدل سرمایشی این دستگاه است.
ترموستات تابلویی چیست
ترموستات تابلویی مدلی از ترموستات شیوا امواج می باشد که برای محیط های بسته طراحی شده، که بتواند محیط داخلی یک دستگاه گرمایشی یا سرمایشی را طبق دمای وارد شده به دستگاه ثابت نگهدارد و اگر از نقطه تنظیم شده بالاتر و یا پایین تر آمد اطلاع دهد و فرمانی که براش تعریف شده انجام دهد.
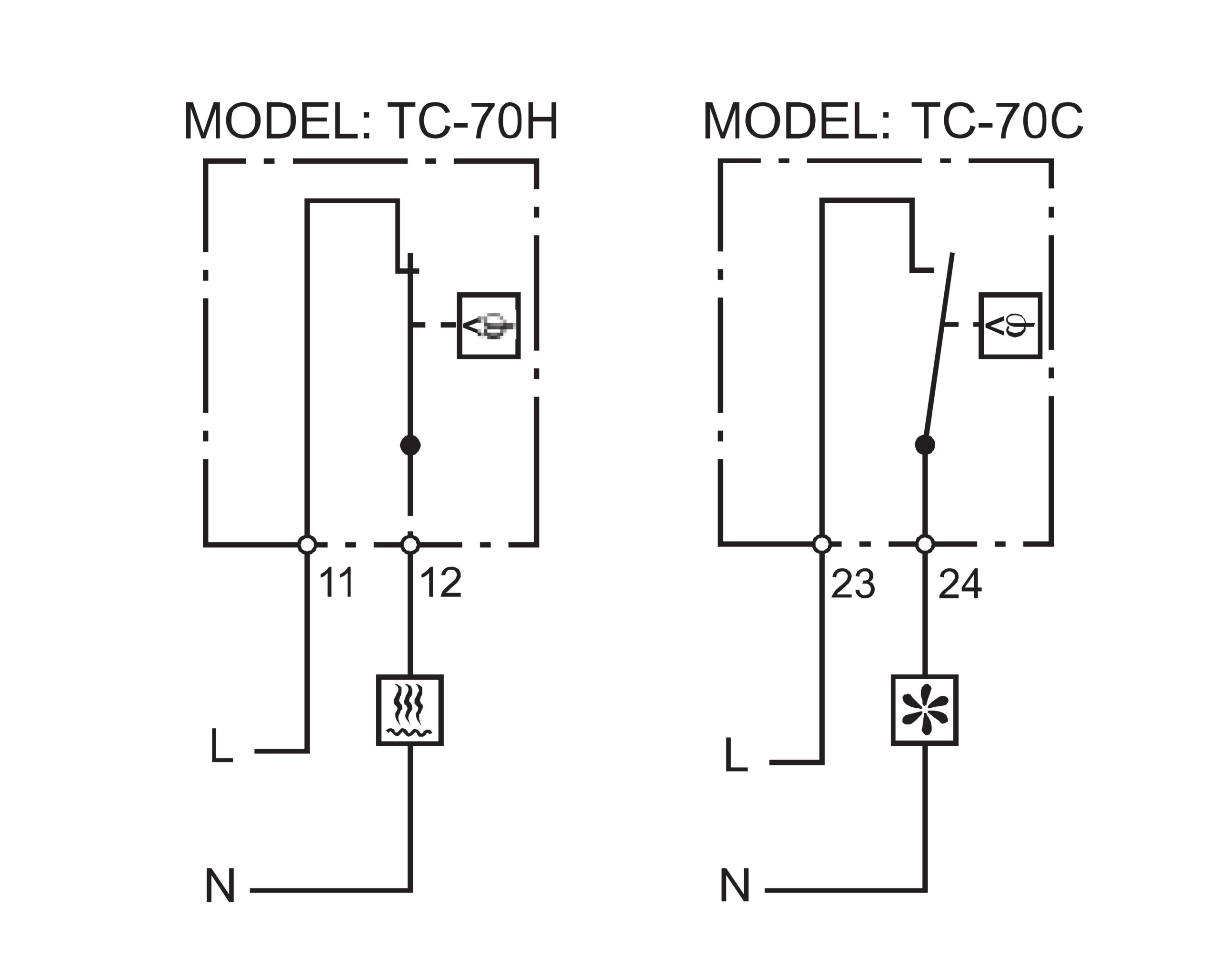
نحوه نصب ترموستات تابلویی شیوا
ترموستات را مطابق نقشه زیر متصل کنید و به این نکته توجه کنید که روزنه های تهویه روی بدنه ترموستات نباید به هیچ وجه و تحت هیچ شرایطی پوشانده شوند.
شرایط محیطی مناسب برای دستگاه ترموستات تابلویی شیوا امواج در محدوده دمایی ۸۰ تا ۲۰- درجه سانتی گراد و محدوه انداره گیری دما 0 تا 70 درجه سانتی گراد می باشد.
خروجی این دستگاه 250VAC/10A است.
هیسترزیس دمایی ترموستات شیوا امواج 4±12 درجه سانمتی گراد می باشد
تلورانس دمایی این دستگاه برای هر دو مدل، برای دمای قطع شدن در حد بالا ۵±70 درجه سانتی گراد و برای دمای وصل شدن در حد پائین ۸±۰ درجه سانتی گراد است.
مدل های این دستگاه TC-70Cو TC-70H می باشد.
در این مدل ترموستات تابلویی شیوا امواج باید به نکته های زیر توجه کنید:
به منظور تعیین دمای تنظیمی واقعی در حالت اتصال با کنتاکت بسته (NC) حداکثر هیسترزیس دمایی اندازه گیری شده را باید به حداقل دمای کارکرد مورد نیاز اضافه کرد. به طور مثال:
حداقل دمای مطلوب در یک محفظه 12± درجه سانتی گراد است ما می بایست هیسترزیس دمایی ترموستات را 8± درجه سانتی گراد قرار دهیم و دمای تنظیم بر روی پیچ تنظیم را 20+درجه سانتی گراد بگذاریم تا دمای مطلوب را به دست بیاوریم.
ترموستات شیوا امواج برای اندازه گیری دمای داخل محفظه طراحی شده است زمانی که برای دستگاه های گرمایشی استفاده می گردد، باید تا حد امکان در بالاترین و دورترین نقطه ممکن از منبع گرمایش، در داخل محفظه قرار بگیرد و هنگامی که در دستگاه های سرمایشی استفاده می گردد، باید تا حد ممکن در پایین ترین و دورترین نقطه محفظه از منبع سرمایشی قرار بگیرد.
