سنسور خازنی چیست
سنسور خازنی چیست ؟ نوعی دیگر از سنسور های مجاورتی هستند. علاوه بر اجسام فلز، اجسام غیر فلزی مانند کاغذ، شیشه، مایعات و پارچه حس می کنند. در صورت وجود آب یا روغن روی صفحه تشخیص دهنده ی سنسور، ممکن است در عملکرد دستگاه مشکل ایجاد کند. برای دریافت لیست قیمت خرید سنسور خازنی آتونیکس با تتا صنعت نمایندگی Autonics درایران تماس حاصل فرمائید و همچنین جهت دانلود کاتالوگ فارسی سنسور خازنی آتونیکس به انتهای مقاله مراجعه کنید.
عملکرد سنسور های خازنی به این صورت است که وقتی شئ مورد نظر نزدیک سطح حساس حسگر میشود، درون میدان الکترواستاتیکی ناشی از دو الکترود حسگر وارد شده و ظرفیت خازن را تغییر میدهد.
تفاوت سنسور خازنی و سنسور القایی
سنسور های مجاورتی در دو نوع خازنی و القایی هستند. سنسور های مجاورتی خازنی در مقایسه با سنسور های نوع القایی به جای ایجاد میدان الکترومغناطیسی میدان الکترواستاتیکی تولید میکنند.
هدف تشخیص سنسور های خازنی دارای تنوع بالایی می باشند اما هدف تشخیص سنسور های القایی فقط اجسام فلزی می باشد.
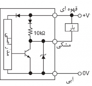
مدار سنسور خازنی
مدار سنسور خازنی به دو دسته سه سیمه و دو سیمه تقسیم میشوند. و خروجی سنسور سه سیمه به دو صورت PNP و NPN می باشد.
کاربرد سنسور خازنی در صنعت
- تشخیص شیر در کارتون
- تشخیص حضور قوطی ها و پر کردن آنها در صنایع موادغذایی
- کنترل سطح برای مایعات و جامدات توده ای ( پلیت ها، قرص ها، گرانول ها)
- تشخیص حضور مایع در لوله کشی و شلنگ های پلاستیکی
- تشخیص شیر در کارتون
- کنترل سطح مایع :
از دیگر کاربرد سنسور خازنی در صنعت، کنترل سطح آب در مخازن است. به این صورت که چون مقدار ثابت دی الکتریک آب بیشتر از پلاستیک است لذا حسگر میتواند از درون پلاستیک آب را تشخیص دهد.

سنسور خازنی آتونیکس
سنسور های خازنی شرکت آتونیکس دارای چرخه عمر طولانی و قابلیت اطمینان بالاست هستند. شکل ظاهری آنها استوانه ای است و برای تشخیص سطح و کنترل موقعیت مواد ایده آل می باشند. اتصال آنها به صورت کابل با روکش پی وی سی می باشد.
جهت خرید سنسور القایی آتونیکس و اطلاع از لیست قیمت سنسور خازنی آتونیکس با شرکت تتا صنعت نمایندگی فروش محصولات آتونیکس تماس بگیرید.
جهت مشاهده مشخصات فنی و مقایسه انواع سنسور خازنی اینجا کلیک کنید.
جهت دانلود کاتالوگ فارسی سنسور خازنی آتونیکس اینجا کلیک کنید.
در ادامه انواع سنسور خازنی آتونیکس شرح داده شده است :
نوعی دیگر از سنسور های مجاورتی هستند. علاوه بر اجسام فلز، اجسام غیر فلزی مانند کاغذ، شیشه، مایعات و پارچه حس می کنند. در صورت وجود آب یا روغن روی صفحه تشخیص دهنده ی سنسور، ممکن است در عملکرد دستگاه مشکل ایجاد کند.
برای دریافت لیست قیمت خرید سنسور خازنی آتونیکس با تتا صنعت نمایندگی Autonics درایران تماس حاصل فرمائید و همچنین جهت دانلود کاتالوگ فارسی سنسور خازنی آتونیکس به انتهای مقاله مراجعه کنید.



