راهنمای جامع و تخصصی اینورتر دلتا CP2000 | درایو دلتا CP200
مقدمه
اینورتر دلتا CP2000 | درایو دلتا CP2000 راهکاری تخصصی برای فن/پمپ و HVAC است. این سری با پارامترهای اختصاصی HVAC، PID داخلی با Sleep/Wake، Fire Mode، کنترل چندپمپی و شبکههای صنعتی Built﹣in، مصرف انرژی و پایداری سیستمهای تهویه، تأسیسات و آبرسانی را بهطور محسوسی بهینه میکند. در ادامه در این مقاله ضمن پوشش کامل مشخصات، مسیر خرید اینورتر CP2000، لیست قیمت درایو CP2000 ؛ به بررسی دیاگرام اصلی و کنترلی اینورتر DELTA CP2000 ، جدول مقایسه این سری با بقیه درایو های دلتا مطابق با دیتاشیت و کاتالوگ اینورتر دلتا CP2000 میپردازد.
نکته: CP2000 بهطور ویژه برای فن/پمپ طراحی شده و نسبت به سریهای عمومی دلتا، امکانات بیشتری برای HVAC ارائه میدهد ﹙مانند Fire Mode، گردش پمپ و بایپس﹚.
مشخصات فنی کامل اینورتر دلتا CP2000
ویژگی های کنترلی
بهینه برای HVAC و فن/پمپ با پارامترهای اختصاصی، PID داخلی، Sleep/Wake، Flying Start و Skip Frequency.
کنترل برداری بیسنسور ﹙SVC﹚، طراحی Dual Rating ﹙Light/Normal duty﹚ و عملکرد بهینه برای بار گشتاور متغیر.
PLC داخلی 𝟏𝟎K استپ بههمراه RTC برای زمانبندی و منطق کاربردی داخل درایو.
طراحی ماژولار: کیپد LCD قابلجداسازی ﹙Hot﹣plug﹚، کارتهای توسعه I/O و شبکه، فنهای قابل تعویض.
توان، ولتاژها و فریمها
دامنه ولتاژها: 𝟐𝟑𝟎/𝟒𝟔𝟎/𝟓𝟕𝟓/𝟔𝟗𝟎VAC سهفاز در فریمهای A تا H ﹙بسته به توان﹚. نمونههای 𝟔𝟗𝟎V تا 𝟔𝟑𝟎kW پوشش داده میشوند.
فرکانس خروجی ماکزیمم: 𝟓𝟗𝟗Hz ﹙بنا بر مدلها )
Dual Rating: در Light duty اضافهبار 𝟏𝟐𝟎﹪/𝟏min و در Normal duty علاوه بر 𝟏𝟐𝟎﹪/𝟏min، 𝟏𝟔𝟎﹪/𝟑s نیز پشتیبانی میشود.
بهرهوری و ایمنی
راندمان 𝟗𝟕–𝟗𝟖﹪ و PF > 𝟎.𝟗𝟖 در بسیاری از مدلها؛ چوک DC از فریمهای بزرگ به صورت Built﹣in و چاپر ترمز در فریمهای کوچک به صورت Built﹣in دارد.
Fire Mode و Bypass برای وضعیتهای اضطراری.
کنترل فن داخلی: سوئیچینگ ON/OFF برای توانهای پایین و PWM برای مدلهای بزرگتر
شبکه و ارتباطات
Modbus و BACnet داخلی ﹙High﹣speed comm.﹚، کارتهای اختیاری: PROFIBUS DP، PROFINET، DeviceNet، Modbus TCP، EtherNet/IP، CANopen، BACnet/IP.
محیط کار، درجه حفاظت و نصب
IP𝟐𝟎 / UL Open Type ﹙Type𝟏/NEMA𝟏 برای برخی کُدها﹚ و IP𝟎𝟎 برای بخشهایی از مدلهای بدون جعبه کانال؛ دمای کاری ﹣𝟏𝟎…𝟓𝟎°C ﹙با توجه به Duty/Carrier﹚.
ارتفاع نصب: از 𝟏𝟎𝟎𝟎 تا 𝟐𝟎𝟎𝟎 متر، بهازای هر 𝟏𝟎𝟎m یک درصد کاهش جریان نامی یا 𝟎.𝟓°C کاهش دمای مجاز.
عملکردها و پارامترهای کلیدی کاربردی
سیگنال تنظیم فرکانس: 𝟎–𝟏𝟎V، 𝟎/𝟒–𝟐𝟎mA
جدول مقایسه کامل اینورتر دلتا CP2000 با دیگر سریهای دلتا
سری اینورتر دلتا | توان(kW) | فرکانس خروجی(Hz) | ظرفیت اضافه بار | پروتکل ارتباطی | نوع کنترل | ولتاژ ورودی |
| MS300 | 0.2-22 | 0-599 | Normal Duty (ND) 120درصد جریان نامی به مدت 60ثانیه 150درصد جریان نامی به مدت 3 ثانیه Heavy Duty (HD) 150درصد جریان نامی به مدت 60ثانیه 200درصد جریان نامی به مدت 3 ثانیه | Modbus RTU روی RS485 کارت های جانبی: PROFIBUS DP, DeviceNet, Modbus TCP, EtherNet/IP, CANopen, EtherCAT, PROFINET | V/F SVC FOC Sensorless | تکفاز 115V تکفاز 230V 3فاز 230V 3فاز 460V 3 فاز 575V |
| EL-W | 0.2-5.5 | 0.1-400 | 150درصد جریان نامی به مدت 60ثانیه | Modbus RTU روی RS485 | SPWM (Sinusoidal Pulse Width Modulation) control (V/F Control, Vector Control) | تکفاز 200-240V سه فاز 380-400V |
| C200 | 0.75-630 | 0-599 | Normal Duty (ND) 120درصد جریان نامی به مدت 60ثانیه برای هر 5 دقیقه 160درصد جریان نامی به مدت3ثانیه برای هر30 ثانیه Heavy Duty (HD) 150درصد جریان نامی به مدت 60ثانیه برای هر 5 دقیقه 180درصد جریان نامی به مدت3ثانیه برای هر30 ثانیه | Modbus RTU روی RS485 CANopenکارت جانبی | V/F SVC VF+PG FOC+PG | تکفاز و سه فاز 230-460V |
| C2000 | 0.75-630 | 0-599 | Normal Duty (ND) 120درصد جریان نامی به مدت 60ثانیه برای هر 5 دقیقه 160درصد جریان نامی به مدت3ثانیه برای هر30 ثانیه Heavy Duty (HD) 150درصد جریان نامی به مدت 60ثانیه برای هر 5 دقیقه 180درصد جریان نامی به مدت3ثانیه برای هر30 ثانیه | Modbus RTU روی RS485 EtherNet/IP and MODBUS TCP protocol | 230 V / 460 V model: V / FSVC VF+PG FOC+PG TQC+PG PM+PG FOC sensorless TQC sensorless V / F+PG SVC | 230V 460V 575V 690V |
| CP2000 | 0.75-630 | 0-599 | Light Duty (LD) 120درصد جریان نامی به مدت 60ثانیه برای هر 5 دقیقه Normal Duty (ND) 120درصد جریان نامی به مدت 60ثانیه برای هر 5 دقیقه 160درصد جریان نامی به مدت3ثانیه برای هر30 ثانیه | BACnet and Modbus کارت های جانبی:PROFIBUS DP, PROFINET, DeviceNet, Modbus TCP, CANopen, CANopen and BACnet IP | V/F (V/F control) SVC (Sensorless Vector Control) PM (Permanent Magnet Motor) | 230V 460V 575V 690V |
| CH2000 | 0.75-450 | 0-599 | 200درصد جریان نامی به مدت 3 ثانیه برای هر 30 ثانیه 150درصد جریان نامی به مدت 60ثانیه برای هر 5 دقیقه | Modbus RTU روی RS485 CANopen/CANopen/EtherNet-IP/MODBUS TCP | V/F SVC VF + PG FOC + PG TQC + PG | تکفاز 115ولت تکفاز 230 ولت 3فاز230ولت 3فاز 460 ولت |
| EL | 0.2-3.7 | 0.1-599 | 150درصد جریان نامی به مدت 60ثانیه | Modbus RTU روی RS485 PROFIBUS/ DeviceNet / CANopen | SPWM (Sinusoidal Pulse Width Modulation) control (V/F control) | تکفاز 115V تکفاز 230V |
| B | 0.75-75 | 0.1-400 | 150درصد جریان نامی به مدت 60ثانیه | Modbus RTU روی RS485 | SPWM (Sinusoidal Pulse Width Modulation) control (V/F control) | تکفاز و سه فاز 230V سه فاز460V سه فاز575V |
| ME300 | 0.1-7.5 | 0-599 | Normal Duty (ND) 120درصد جریان نامی به مدت 60ثانیه 150درصد جریان نامی به مدت 3 ثانیه Heavy Duty (HD) 150درصد جریان نامی به مدت 60ثانیه 200درصد جریان نامی به مدت 3 ثانیه | Modbus RTU روی RS485 | V/F SVC | تکفاز و سه فاز 230V سه فاز460V سه فاز575V |
| MH300-L | 0.2-15 | 0-299 | 150درصد جریان نامی به مدت 60ثانیه 200درصد جریان نامی به مدت 3 ثانیه | RS-485 (Modbus) / CAN port | V/F, SVC | 3فاز230V 3فاز 460V |
| M | 0.2-7.5 | 0.1-400 | 150درصد جریان نامی به مدت 60ثانیه | Modbus RTU روی RS485 | SPWM (Sinusoidal Pulse Width Modulation) control (V/F control) | تکفاز و سه فاز 230V سه فاز460V سه فاز575V |
جمعبندی مقایسهای: اگر پروژه شما HVAC است یا به چندپمپی، Fire Mode، و یکپارچگی با BMS نیاز دارد، «اینورتر دلتا CP2000» مناسبترین انتخاب در خانواده دلتا است.
کاربرد درایو اینورتر دلتا EL﹣W CP2000 در صنعت
-Fixed-displacement pumps (fix flow and fix time) پمپهای جابجایی ثابت (با دبی ثابت و زمانبندی ثابت)
Building automation -اتوماسیون ساختمان
Factory automation -اتوماسیون کارخانه / اتوماسیون صنعتی
HVAC drives -درایوهای HVAC گرمایش، تهویه و تهویه مطبوع
Cooling pumps -پمپهای خنککاری / سیرکولاسیون
Cooling towers – برجهای خنککننده
نحوه پلاکخوانی اینورتر دلتا CP2000
کُد نمونه: VFD 𝟏𝟏𝟎𝟎 CP 𝟒𝟑 A – 𝟐𝟏
VFD: مبدل فرکانس دلتا
𝟏𝟏𝟎𝟎: توان/سطح مدل ﹙مطابق جدول فریم/توان﹚
CP: سری CP2000
𝟒𝟑: ورودی 𝟒𝟔𝟎V سهفاز ﹙کُدهای دیگر: 𝟐𝟑=𝟐𝟑𝟎V، 𝟒E=𝟒𝟔𝟎V با EMC داخلی، 𝟓𝟑=𝟓𝟕𝟓V، 𝟔𝟑=𝟔𝟗𝟎V﹚
A: نوع نصب/فریم ﹙A/B/S=دیواری، C=زمینی﹚
–𝟐𝟏 / –𝟎𝟎: NEMA/IP ﹙𝟎=UL Open Type/IP𝟎𝟎، 𝟏=NEMA𝟏، 𝟐=IP𝟐𝟎﹚
این قواعد در شکل کدینگ محصول درج شده است.
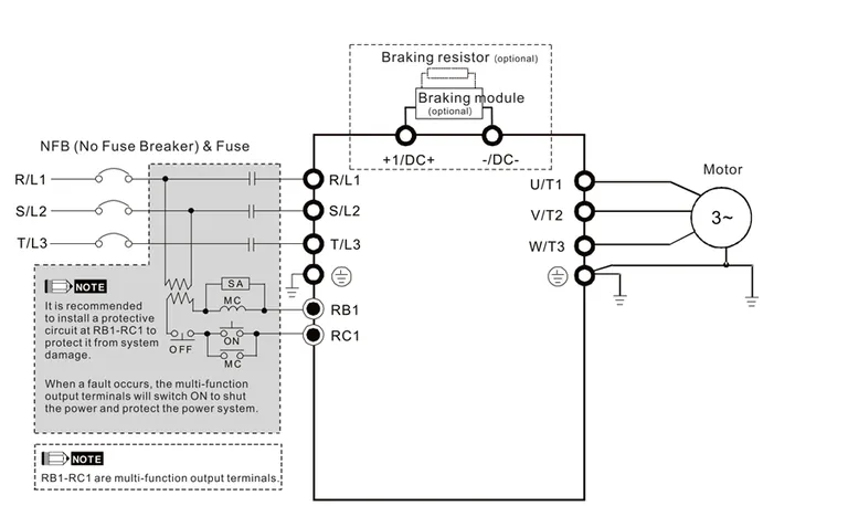
دیاگرام ورودی و خروجیهای اصلی اینورتر دلتا CP2000
نقشهی کلی ترمینالهای قدرت:
ورودی سهفاز: L𝟏، L𝟐، L𝟑 ﹙کابلکشی و فیوز مطابق SCCR﹚.
خروجی موتور: U، V، W ﹙کابل شیلددار برای محیطهای نویزی توصیه میشود﹚.
زمین حفاظتی: PE/⏚ با سطح مقطع مناسب تابلو.
باس DC / چاپر ترمز: وجود چاپر داخلی در فریمهای کوچک و چوک DC داخلی از فریمهای بزرگ، مطابق جدول تجهیزات ﹙محل دقیق ترمینال در نقشهی فریم مرتبط مشخص است﹚.
دیاگرام ورودی/خروجیهای کنترلی اینورتر دلتا CP2000
آنالوگ ورودی / خروجی:
AVI / ACI: ورودی 𝟎–𝟏𝟎V و 𝟒–𝟐𝟎mA ﹙با سوئیچ داخلی SSW برای انتخاب مد﹚.
AFM ﹙AVO/ACO﹚: خروجی آنالوگ 𝟎–𝟏𝟎V یا 𝟎/𝟒–𝟐𝟎mA.
ACM: مشترک سیگنال آنالوگ.
دیجیتالها و رلهها:
DI ﹙MIx﹚: ورودی دیجیتال چندکاره؛ انتخاب SINK/SOURCE با جامپر J𝟏؛ امکان تغذیه داخلی +𝟐𝟒V برای ورودیها.
Relay ﹙RA/RC﹚: خروجیهای رلهای چندکاره برای وضعیتها ﹙Run/At﹣Freq/Overload﹚، با ظرفیتهای اعلامشده برای بار مقاوم/القایی.
شبکه :
Modbus/BACnet داخلی؛ کارتهای EtherNet/IP/Modbus TCP ﹙با فیلتر IP، DLR﹚، PROFINET/PROFIBUS/DeviceNet/CANopen بنا به نیاز پروژه.
اجزای مختلف اینورتر دلتا CP2000
کیپد LCD قابلجداسازی با قابلیت سفارشیسازی صفحه اصلی ﹙TP Editor﹚ و کپی پارامتر برای راهاندازی سریع.
فنهای قابل تعویض و بردهای با پوشش حفاظتی برای دوام بیشتر در محیطهای سخت؛ امکان کار در 𝟓𝟎°C ﹙با شرط Carrier/Duty﹚.
چوک DC و EMC Filter ﹙برخی مدلها﹚: کاهش هارمونیک/نویز و بهبود سازگاری الکترومغناطیسی.
ابعاد و فریم های درایو دلتا CP2000
ابعاد استخراج شده از کاتالوگ اینورتر دلتا CP2000:
لیست قیمت اینورتر دلتا CP2000
قیمت اینورتر DELTA CP2000 وابسته به کُد مدل دقیق، ولتاژ/توان، نوع حفاظت ﹙–𝟐𝟏 / –𝟎𝟎﹚، وجود EMC داخلی ﹙کُد 𝟒E﹚، کارتهای شبکه اختیاری و الزامات تابلو ﹙چوک/فیلتر/بایپس/کنتاکتور﹚ است. برای لیست قیمت درایو CP2000 با ما تماس بگیرید.
پلاکخوانی: کُد کامل مدل ﹙مثلاً VFD𝟏𝟏𝟎𝟎CP𝟒𝟑A﹣𝟐𝟏﹚ + جریان/توان موتور و Duty موردنیاز.
اکستنشنها: کارتهای شبکه ﹙PROFINET/…﹚، توسعه I/O، مقاومت ترمز، فیلتر EMC، لوازم جانبی.
شرایط محیطی/تابلو: Type𝟏/IP𝟐𝟎 یا Open Type، دمای محیط، ارتفاع، کلاس آلودگی، نیاز به IP بالاتر داخل کابینت.
برای خرید اینورتر CP2000 یا دریافت لیست قیمت اینورتر دلتا CP2000 بهروز ﹙مثلاً برای بازار لالهزار﹚، کُد مدل و مشخصات پروژه را آماده کنید تا پیشفاکتور دقیق صادر شود.
نتیجهگیری تخصصی
مطابق با کاتالوگ اینورتر دلتا CP2000، این درایو بهعنوان یک درایو HVAC﹣محور، ترکیب دقیقی از قابلیتهای کنترلی ﹙PID، Sleep/Wake، Speed Search﹚، ایمنی کاربردی ﹙Fire Mode، Bypass، SCCR بالا﹚، یکپارچگی شبکهای ﹙BACnet/Modbus داخلی + کارتهای صنعتی﹚، دوام محیطی ﹙بردهای پوششدار، کار در 𝟓𝟎°C﹚ و بهرهوری انرژی را در کنار هم ارائه میدهد. فرکانس خروجی تا 𝟓𝟗𝟗Hz، Dual Rating و چندپمپی تا ۸ موتور باعث میشود، اینورتر DELTA CP2000 در پروژههای تأسیسات، آبرسانی، تهویه و کنترل فشار/دبی، انتخابی حرفهای تری باشد.
راهنمای خرید و دریافت لیست قیمت اینورتر دلتا CP2000
به خرید اینورتر دلتا سری CP2000 فکر میکنید؟ برای دریافت کاتالوگ و لیست قیمت اینورتر دلتا CP2000 و مشاوره در انتخاب محصول؛ ظرفیت/فریم/شبکه ﹙ویژه پروژههای HVAC﹚، کُد دقیق مدل ﹙مثلاً VFD𝟏𝟏𝟎𝟎CP𝟒𝟑A﹣𝟐𝟏﹚، ولتاژ/توان موتور و نیازهای شبکه را برای ما ارسال کنید تا بهترین پیشنهاد فنی+مالی مطابق نیاز شما تقدیم شود.
پرسشهای متداول
❓ تفاوت درایو دلتا CP2000 با سریهای عمومی دلتا چیست؟
**CP2000** برای **HVAC/فن/پمپ** بهینه شده و قابلیتهایی مثل **PID + Sleep/Wake، Fire Mode، چندپمپی** و **BACnet داخلی** دارد؛ در حالیکه سریهای عمومی (مثل **C2000 / MS300**) بیشتر برای کاربردهای عمومی طراحی شدهاند.
❓ آیا اینورتر دلتا CP2000 با BMS سازگار است؟
بله؛ **BACnet** و **Modbus** بهصورت داخلی و کارتهای **PROFINET / PROFIBUS / EtherNet-IP** اتصال مستقیم به **BMS/SCADA** را فراهم میکنند.
❓ محدودهی دمای کار چقدر است؟
معمولاً **°C 50 ~ -10** (بسته به **Duty/Carrier** و نوع **حفاظت**). برای شرایط سخت، نصب در **کابینت با IP بالاتر** توصیه میشود.
❓ بیشینهی فرکانس خروجی و اضافهبار؟
تا **599 Hz**؛ **LD:** **120% / 1 min**، **ND:** **120% / 1 min** + **160% / 3 s** (طبق جدول مدلها).
❓ چه نکاتی در سیمبندی **12-Pulse** مهم است؟
حتماً دقیقاً مطابق **دیاگرام فریم مربوطه** سیمبندی کنید؛ عدم تطابق باعث **هارمونیک بالا** و **نامتعادلی فاز** میشود.
❓ آیا چاپر ترمز / چوک DC داخلی است؟
در **فریمهای کوچک**، **چاپر ترمز Built-in** است و از **فریمهای بزرگ**، **چوک DC Built-in** (وابسته به مدل).
نمایش همه 10 نتیجه





