راهنمای جامع «اینورتر دانفوس FC301
مقدمه
«مطابق با کاتالوگ دانفوس ، اینورتر ( درایو ) دانفوس FC301 (VLT® AutomationDrive FC 301) نسخهی عمومی و صنعتی خانواده VLT از برند دانفوس است که برای کنترل دقیق سرعت و گشتاور موتورهای القایی طراحی شده. نقطهی قوت FC301 در هستهی کنترلی ، I/O استاندارد، شبکهی RS-485 داخلی است؛ همین ترکیب، آن را برای خطوط مونتاژ، نوارنقاله، پمپ/کمپرسورِ فرآیندی و ماشینسازها به انتخابی مطمئن تبدیل میکند. در این مقاله، با تکیه بر دفترچه راهنمای رسمی FC301 و ساختار ترمینالها و قابلیتهای کلیدی، همه چیز را مرحلهبهمرحله مرور میکنیم تا برای دریافتقیمت به روز و خرید اینورتر دانفوس FC301 آگاهانه تصمیم بگیرید.
مشخصات فنی کامل اینورتر DANFOSS FC301
1) ولتاژ/فاز ورودی، ولتاژ و فرکانس خروجی
اینورتر دانفوس FC301 در کلاسهای ولتاژی متداول صنعتی عرضه میشود. این کلاسها در بخشهای ایمنی/تخلیهی خازن لینک DC نیز دیده میشوند و بیانگر ردهبندیهای اصلی محصول هستند.
2) روشهای کنترل و موتورهای پشتیبانیشده در درایو دانفوس FC301
- موتورهای پشتیبانیشده در درایو دانفوس FC301: موتورهای آسنکرون/القایی (ASM/IM).
- روش های کنترل: V/F
3) شبکه و ارتباطات
4) ورودی/خروجیهای آنالوگ و دیجیتال
آنالوگ:
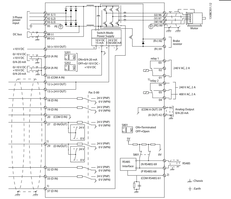
- AI: ترمینال 53 و 54 (0–10V یا 0/4–20mA با کلید S201/S202)، COM آنالوگ 55.
- AO: ترمینال 42 (0/4–20mA)، COM آنالوگ 39.
دیجیتال:
- DI: ترمینالهای 18/19/27/32/33 (PNP/NPN)، منبع +24V روی 12/13، COM دیجیتال 20.
- عملکردهای رایج: Start روی DI18، Stop/Coast/Fast Stop قابل نگاشت، Pulse-Start، Speed-up/Speed-down (توجه: DI29 در FC301 کاربرد ندارد؛ DI29 مخصوص FC302 است).
5) کیپد (LCP) و اپراتوری
- LCP گرافیکی/عددی با کلیدهای Hand/Off/Auto و Quick/Main Menu؛ نمایش چندگانه پارامترها، کپی/ترانسفر ستاپها (LCP Copy) و منوهای Quick Setup.
- قابلجداسازی و نصب ریموت تا 3m با کیت نصب پنلی.
6) ایمنی و STO
- ترمینال STO در FC301 فقط در برخی بدنههای کوچک (A1) وجود دارد.
- گزینههای ایمنیِ پیشرفته (PROFIsafe/MCB) درمجموعه درایو VLT تعریف شدهاند
7) ترمز و انرژی برگشتی
- چاپر ترمز/مقاومت ترمز: FC301 از ترمز دینامیکی خارجی پشتیبانی میکند؛ مانیتورینگ توان ترمز و پارامترهای مرتبط (Brake Energy) و انواع مقاومت ترمز بر اساس (Ω) در دیتاشیت موجود است.
8) حفاظتها
- ETR (رله حرارتی الکترونیکی)، هشدار/آلارمها، کلمات آلارم/هشدار و لاگ خطا/رخدادها.
- پایش دما/هیتسینک و فنها: امکان مشاهده دمای هیتسینک و سرعت فنها
9) EMC/RFI و فیلترها
- RFI Filter تنظیمات اختصاصی دارد.
جدول مقایسه «اینورتر دانفوس FC301» با سایر سریها
جزئیات دقیق هر سری باید از کاتالوگ اختصاصی همان خانواده خوانده شود (ابعاد، IP، رنج توان، EMC داخلی/خارجی)
| سری | فرکانس خروجی | توان | کاربرد |
| VLT Micro Drive FC 51 | VVC+: 0–200Hz | V/f: 0–400Hz | 0/18-22 kW | درایو میکرو عمومی/کامپکت |
| VLT 2800 | 0.2–132Hz (حلقه بسته) 1–1000Hz (حلقه باز) | 0/37-18/5 kW | درایو عمومی کامپکت |
| VLT HVAC Basic Drive FC 101 | 0-400 Hz | 0/25-90 kW | تهویه مطبوع (HVAC) پایه |
| VLT HVAC Drive FC 102 | 0-590 Hz | 1/1-1400 kW | HVAC پیشرفته (سازههای تهویه) |
| VLT AQUA Drive FC 202 | 0-590 Hz | 1/1-1400 kW | پمپها و آب/فاضلاب |
| VLT AutomationDrive FC 301 | 0/2-590Hz | 0/25-75 kW | اتوماسیون عمومی (صنعتی) |
| VLT AutomationDrive FC 302 | از 0/25 تا 75 کیلووات : 0-590 Hz از 90تا 1000 کیلووات:0-590 Hz در حالت کنترلی FLUX: 0-300Hz | 0/25-1400 kW | اتوماسیون پیشرفته (کنترل برداری/سرویسهای افزوده) |
| VLT Decentral FCD 300 | 0/2-132Hz 1-1000Hz | – | دیسنترال IP66/NEMA4X (نصب کنار موتور/روی موتور) |
کاربردهای صنعتی پیشنهادی
- نوارنقاله و انتقال مواد (CT/HD): نیاز به گشتاور ثابت در سرعت پایین، سافتاستارت، ترمز دینامیکی و توقف دقیق.
- پمپ و فن فرآیندی (VT/ND)
- ماشینالات سبک
دیاگرام ورودی/خروجیهای قدرت و کنترل
- ورودی قدرت: 91(L1), 92(L2), 93(L3)
- خروجی موتور: 96(U), 97(V), 98(W), PE(99)
- لینک:DC 89(+), (−)88
- ترمز خارجی: امکان اتصال چاپر/مقاومت (تعریف مقدار Ω در پارامترها).
لیست قیمت
مطابق با کاتالوگ شرکت ، قیمت اینورتر دانفوس FC301 تابع توان/کلاس ولتاژ، فریم، وجود فیلتر/چوک، کیت LCP پنلی و آپشنهای نصب است. برای پیشفاکتور دقیق بر اساس کُد سفارش، با تتا صنعت 02191091022 (یا واتساپ/تلگرام شرکت) تماس بگیرید. خرید اینورتر دانفوس FC301 با مشاوره صحیح انتخاب، باعث کاهش هزینههای نصب/EMC و افزایش پایداری فرآیند خواهد شد.
نتیجهگیری تخصصی
اگر موتور شما القایی است و به یک درایو صنعتی پایدار با I/O استاندارد، RS-485 داخلیو LCP قابلجداسازی نیاز دارید، درایو دانفوس FC301 انتخابی امن و اقتصادی است. برای نیازهای High-Performance (انکودر، PM/SynRM، ورودیهای اضافی)، سری FC302 را همزمان بررسی کنید؛ اما برای اکثریت کاربردهای عمومی کارخانه ها، اینورتر DANFOSS FC301 تمام ملزومات حیاتی را در همان پایه برآورده میکند.
دریافت کاتالوگ و لیست قیمت اینورتر دانفوس FC302
برای دریافت دریافت قیمت بهروز و خرید اینورتر دانفوس FC301 همین حالا با تتا صنعت 02191091022 تماس بگیرید یا از طریق واتساپ/تلگرام پیام دهید. کارشناسان فنی تتا صنعت با توجه به ولتاژ شبکه، توان /کاربری و شرایط محیط نصب بهترین مدل را معرفی میکنند.
پرسشهای متداول
❓ آیا «اینورتر دانفوس FC301» STO داخلی دارد؟
بهطور معمول **خیر**؛ در بدنههای FC301 ترمینال **37** وجود ندارد و **STO** ارائه نمیشود (ممکن است مدل **A1** استثناء باشد). برای ایمنی عملکردی، به **آپشنهای ایمنی/MCB** یا سری **FC302** رجوع کنید.
❓ آیا میتوان **LCP** را از روی درایو جدا و روی درِ تابلو نصب کرد؟
بله؛ **LCP** قابلجداست و با **کیت نصب** تا **3 m** بهصورت ریموت قابلاستفاده است.
❓ ورودیهای آنالوگ **FC301** با چه بازههایی کار میکنند؟
**AI53/AI54**: ولتاژ **±10 V** و جریان **0/4–20 mA** (با **S201/S202**). **AO42**: خروجی **0/4–20 mA**.
❓ شبکهٔ استاندارد داخلی چیست؟
**RS-485** با پروتکلهای **FC/MC**.
❓ چاپر ترمز داخلی است یا خارجی؟
**خارجی**؛ FC301 از **چاپر/مقاومت ترمز خارجی** پشتیبانی میکند.
نمایش 1–20 از 80 نتیجه



