اینورتر دلتا EL ( VFD-EL ) : راهنمای جامع و فنی درایو EL
مقدمه
اینورتر دلتا EL ( Delta VFD-EL ) یک درایو میکرو چندمنظوره و اقتصادی است که برای طیف وسیعی از کاربردهای سبک تا متوسط طراحی شده و با وجود ابعاد جمعوجور، امکانات کنترلی کامل، فیلتر EMI داخلی در برخی مدلها، سوییچ RFI و قابلیت به اشتراکگذاری DC-Bus را ارائه میدهد. این سری، ضمن پوشش سه کلاس ولتاژی 115، 230 و 460 ولت، بازه فرکانسی تا ۵۹۹ هرتز، تحمل اضافهبار ۱۵۰٪ بهمدت ۱ دقیقه، و گزینههای کنترلی V/f و SVC را در اختیار میگذارد؛ مجموعهای که آن را برای نوار نقاله، فن/پمپ، همزن و… به انتخابی مطمئن بدل میکند.
EL کاتالوگ فارسی درایو دلتا | اینورتر دلتا EL MannuaL
مشخصات فنی کامل اینورتر دلتا EL
ردهها و مدلها
- کلاس ولتاژی: 115V تکفاز، 230V تکفاز/سهفاز (بسته به توان)، 460V سهفاز.
- نمونه نامگذاری: VFD007EL23A → توان ۰٫۷۵kW، سری EL، ورودی سهفاز ۲۳۰V، نسخه A (استاندارد). در خود پلاک نیز ورودی/خروجی و بازه فرکانس ذکر میشود.
- محدوده فرکانس خروجی: ۰٫۱ تا ۵۹۹Hz.
- تحمل اضافهبار: ۱۵۰٪ برای ۱ دقیقه.
کنترل و عملکرد
- مد کنترلی: V/f و Vector Control Sensor less(بدون سنسور)؛ انتخاب از طریق پارامتر 00.10.
- دقت جریان و حفاظتهای کامل (OC/OV/OH/…)، بههمراه جستوجوی سرعت (Speed Search) و توقف DC برای توقف اضطراری بدون مقاومت ترمز.
- فیلتر EMI داخلی در برخی مدلهای 230V تکفاز و 460V سهفاز، بههمراه RFI Switch (جمپر RFI) برای شبکههای IT؛ جمپر در نزدیکی ترمینالهای ورودی قرار دارد.
- اشتراک DC-Bus بین چند درایو (بهبود ترمز و تثبیت ولتاژ؛ غیر قابل استفاده در مدلهای 115V).
- کاهش جریان نامی بر حسب فرکانس حامل و روش نصب (A/B) طبق منحنیهای درایو؛ برای طراحی حرارتی و چگالی نصب ضروری است.
ترمز و واحد ترمز
- تمام مدلهای سری EL فاقد چاپر ترمز داخلی هستند؛ برای ترمز مقاومتی باید از Brake Unit سری BUE و مقاومت ترمز استفاده شود و ترمینالهای + / − ویژه درایو برای اتصال پیشبینی شده است.
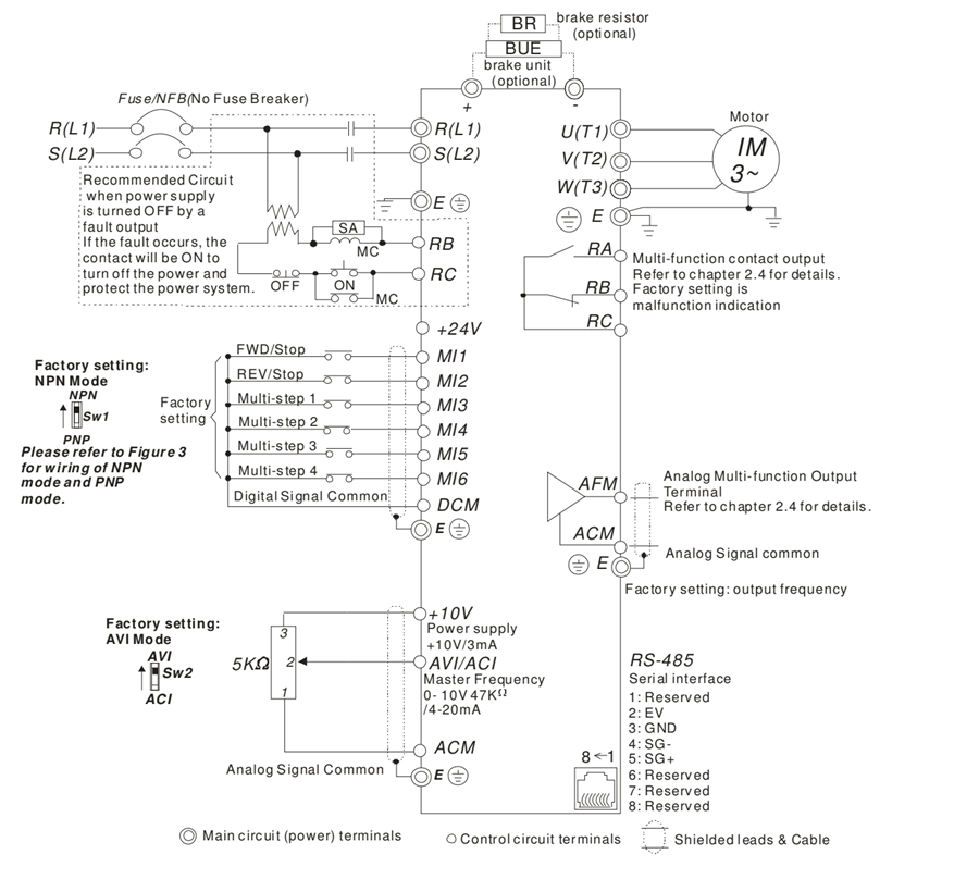
ترمینالهای قدرت و کنترلی (دیاگرامها در بخشهای بعدی)
- قدرت: R/L1, S/L2, T/L3 ورودی، U/T1, V/T2, W/T3 خروجی. ترمینالهای + / − برای اتصال واحد ترمز. گشتاور پیچها و سایز سیم در هر فریم مشخص شده است.
- کنترل: MI1…MI6، +24V (50mA)، DCM، +10V (3mA)، AVI/ACI، ACM، AFM، RA/RB/RC (رله)؛ RS-485 (RJ-45) روی برد.
ورودی/خروجیهای آنالوگ و دیجیتال
- AVI/ACI: ورودی آنالوگ ولتاژ ۰–۱۰V یا جریان ۴–۲۰mA با امپدانس ۴۷kΩ و دقت ۱۰ بیت؛ نگاشت به 01.00 و محدودههای Min/Max از Pr.04.11~04.18 تنظیم میشود.
- AFM: خروجی آنالوگ ۰–۱۰V تا ۲mA (PWM، ۸ بیت). برای A/D مناسب نیست؛ جهت نمایش با متحرکپیچک توصیه میشود.
- دیجیتال: ۶ ورودی قابلبرنامهریزی (MI1..MI6) با حالتهای ۲ سیمه/۳ سیمه، چندسرعته، JOG، Base-Block، Reset و…؛ Debounce نرمافزاری و مانیتورینگ وضعیت ورودیها از 04.26.
- رله خروجی RA/RB/RC با ۵A (N.O.) / ۳A (N.C.) در 240VAC/24VDC برای بار مقاوم؛ تنظیم عملکرد از 03.00 (خطا، رسیدن به فرکانس، آمادهبهکار، و…)، ایدهآل برای قطع کنتاکتور یا آلارم.
ارتباطات و شبکه
- RS-485 (RJ-45) با Modbus ASCII/RTU؛ نرخها از ۴۸۰۰ تا ۳۸۴۰۰ (۹۶۰۰ پیشفرض)، قالبهای ۷N2/۸N1 و… از 09.01، Pr.09.04 تنظیم میشود. رجیسترهای کلیدی شامل 2102H/2103H (فرمان/خروجی فرکانس)، 2108H (ولتاژ DC-BUS)، 210AH (دما).
- ماژولهای آپشنال شبکه: DeviceNet، Profibus-DP، CANopen، LonWorks با ماژولهای CME-DN01 / PD01 / COP01 / LW01.
جدول مقایسه کامل اینورتر دلتا EL با دیگر سریهای درایو دلتا
| سری اینورتر دلتا | توان(kW) | فرکانس خروجی(Hz) | ظرفیت اضافه بار | پروتکل ارتباطی | نوع کنترل | ولتاژ ورودی |
| MS300 | 0.2-22 | 0-599 | Normal Duty (ND) 120درصد جریان نامی به مدت 60ثانیه 150درصد جریان نامی به مدت 3 ثانیه Heavy Duty (HD) 150درصد جریان نامی به مدت 60ثانیه 200درصد جریان نامی به مدت 3 ثانیه | Modbus RTU روی RS485 کارت های جانبی: PROFIBUS DP, DeviceNet, Modbus TCP, EtherNet/IP, CANopen, EtherCAT, PROFINET | V/F SVC FOC Sensorless | تکفاز 115V تکفاز 230V 3فاز 230V 3فاز 460V 3 فاز 575V |
| EL-W | 0.2-5.5 | 0.1-400 | 150درصد جریان نامی به مدت 60ثانیه | Modbus RTU روی RS485 | SPWM (Sinusoidal Pulse Width Modulation) control (V/F Control, Vector Control) | تکفاز 200-240V سه فاز 380-400V |
| C200 | 0.75-630 | 0-599 | Normal Duty (ND) 120درصد جریان نامی به مدت 60ثانیه برای هر 5 دقیقه 160درصد جریان نامی به مدت3ثانیه برای هر30 ثانیه Heavy Duty (HD) 150درصد جریان نامی به مدت 60ثانیه برای هر 5 دقیقه 180درصد جریان نامی به مدت3ثانیه برای هر30 ثانیه | Modbus RTU روی RS485 CANopenکارت جانبی | V/F SVC VF+PG FOC+PG | تکفاز و سه فاز 230-460V |
| C2000 | 0.75-630 | 0-599 | Normal Duty (ND) 120درصد جریان نامی به مدت 60ثانیه برای هر 5 دقیقه 160درصد جریان نامی به مدت3ثانیه برای هر30 ثانیه Heavy Duty (HD) 150درصد جریان نامی به مدت 60ثانیه برای هر 5 دقیقه 180درصد جریان نامی به مدت3ثانیه برای هر30 ثانیه | Modbus RTU روی RS485 EtherNet/IP and MODBUS TCP protocol | 230 V / 460 V model: V / FSVCVF+PGFOC+PGTQC+PG PM+PG FOC sensorless TQC sensorless V / F+PG SVC | 230V 460V 575V 690V |
| CP2000 | 0.75-630 | 0-599 | Light Duty (LD) 120درصد جریان نامی به مدت 60ثانیه برای هر 5 دقیقه Normal Duty (ND) 120درصد جریان نامی به مدت 60ثانیه برای هر 5 دقیقه 160درصد جریان نامی به مدت3ثانیه برای هر30 ثانیه | BACnet and Modbus کارت های جانبی:PROFIBUS DP, PROFINET, DeviceNet, Modbus TCP, CANopen, CANopen and BACnet IP | V/F (V/F control) SVC (Sensorless Vector Control) PM (Permanent Magnet Motor) | 230V 460V 575V 690V |
| CH2000 | 0.75-450 | 0-599 | 200درصد جریان نامی به مدت 3 ثانیه برای هر 30 ثانیه 150درصد جریان نامی به مدت 60ثانیه برای هر 5 دقیقه | Modbus RTU روی RS485 CANopen/CANopen/EtherNet-IP/MODBUS TCP | V/F SVC VF + PG FOC + PG TQC + PG | تکفاز 115V تکفاز 230V |
| EL | 0.2-3.7 | 0.1-599 | 150درصد جریان نامی به مدت 60ثانیه | Modbus RTU روی RS485 PROFIBUS/ DeviceNet / CANopen | SPWM (Sinusoidal Pulse Width Modulation) control (V/F control) | تکفاز 115V تکفاز 230V |
| B | 0.75-75 | 0.1-400 | 150درصد جریان نامی به مدت 60ثانیه | Modbus RTU روی RS485 | SPWM (Sinusoidal Pulse Width Modulation) control (V/F control) | تکفاز و سه فاز 230V سه فاز460V سه فاز575V |
| ME300 | 0.1-7.5 | 0-599 | Normal Duty (ND) 120درصد جریان نامی به مدت 60ثانیه 150درصد جریان نامی به مدت 3 ثانیه Heavy Duty (HD) 150درصد جریان نامی به مدت 60ثانیه 200درصد جریان نامی به مدت 3 ثانیه | Modbus RTU روی RS485 | V/F SVC | تکفاز و سه فاز 230V سه فاز460V سه فاز575V |
| MH300-L | 0.2-15 | 0-299 | 150درصد جریان نامی به مدت 60ثانیه 200درصد جریان نامی به مدت 3 ثانیه | RS-485 (Modbus) / CAN port | V/F, SVC | 3فاز230V 3فاز 460V |
| M | 0.2-7.5 | 0.1-400 | 150درصد جریان نامی به مدت 60ثانیه | Modbus RTU روی RS485 | SPWM (Sinusoidal Pulse Width Modulation) control (V/F control) | تکفاز و سه فاز 230V سه فاز460V سه فاز575V |
کاربرد درایو اینورتر دلتا EL در صنعت
- فن و پمپ: کنترل صرفهجویانه با PID داخلی، قابلیت Energy Saving در سرعت ثابت، حفاظت کم/زیاد فشار یا فیدبک، و تنظیمات کامل PID (گروه ۱۰).
- نوار نقاله و پکیجهای OEM: Multi-Step Speed (تا ۱۵ گام)، JOG، انتخاب دو/سه سیمه و Hold در شتاب/کاهش سرعت؛ مناسب برای سیکلهای تکراری.
- همزن/اکسترودر/ویندینگ: Speed Search برای راهاندازی مجدد موتور چرخان و DC Brake پیشازراهاندازی جهت تثبیت روتور.
نحوه پلاکخوانی اینورتر دلتا EL
ابعاد اینورتر دلتا EL
سری EL دو فریم دارد که قبل از خرید اینورتر دلتا توجه به آن ها برای طراحی تابلو و فاصلهگذاری حرارتی حیاتیاند:
دیاگرام ورودی و خروجیهای اصلی اینورتر دلتا EL
ترمینالهای قدرت:
- R/L1، S/L2، T/L3 (ورودی AC)، U/T1، V/T2، W/T3 (خروجی به موتور)، + / − (اتصال واحد ترمز اکسترنال). از اتصال خازن/جبرانساز خروجی خودداری کنید؛ فقط راکتور / چوک مجاز است.
دیاگرام ورودی/خروجیهای کنترلی اینورتر دلتا EL
مطابق با دیتاشیت و کاتالوگ اینورتر دلتا EL پورت های درایو به صورت زیر میباشد:
- +24V (50mA) و DCM برای ورودیهای دیجیتال .MI6 (حالت NPN/PNP با Sw1). حالتهای ۲ سیمه/۳ سیمه، چندسرعته، JOG، Base-Block، Reset و… قابل تعریفاند.
- +10V (3mA)، AVI/ACI، ACM برای مرجع آنالوگ (انتخاب ۰–۱۰V / ۴–۲۰mA با Sw2 و پارامترهای گروه ۲ و ۴).
- AFM خروجی آنالوگ نمایشگر (۰–۱۰V، ۲mA، PWM، ۸ بیت).
- RA/RB/RC رله چندمنظوره (۵A N.O / ۳A N.C).
- RS-485 (RJ-45) برای Modbus؛ رجوع به پارامترهای گروه ۹.
پایش و عیبیابی I/O: از Pr.04.26 وضعیت لحظهای MI1..MI6 را بخوانید؛ Debounce دیجیتال نیز قابل تنظیم است.
اجزای مختلف اینورتر دلتا EL
- کیپد با نمایش ۷-سگمنتی: وضعیت RUN/STOP، FWD/REV، خواندن/نوشتن پارامترها (PU06 آپشن نیز پشتیبانی میشود).
- جامپر RFI کنار ترمینال ورودی برای شبکههای IT و کنترل نویز هادی.
- پورت RS-485 (RJ-45) روی برد کنترل.
- فریم A/B با کاور ترمینال ورودی/خروجی و کاور برد کنترل.
لیست قیمت اینورتر دلتا EL
برای لیست قیمت اینورتر دلتا EL بهروز، بهتر است هنگام سفارش، پلاک موتور، طول کابل موتور، نیاز به ترمز مقاومتی و شبکههای ارتباطی را اعلام کنید تا بهترین پیشنهاد فنی مطابق بودجه شما ارائه شود.
نتیجهگیری تخصصی
خرید اینورتر دلتا EL با ترکیب کنترل V/f و SVC، ورودی/خروجیهای کامل، Modbus داخلی، فیلتر EMI و RFI سوئیچ (در مدلهای منتخب) و DC-Bus Sharing، راهکاری اقتصادی و مطمئن برای طیف وسیعی از ماشینآلات است. در عین حال، محدودیتهایی مانند عدم وجود چاپر ترمز داخلی و دامنه توان محدود نسبت به سریهای پیشرفتهتر (مانند MS300 یا C2000 Plus) باید در انتخاب لحاظ شود. اگر به STO، توانهای بالا، یا الگوریتمهای پیشرفتهتر نیاز دارید، انتخاب سری بالاتر منطقی است؛ در غیر این صورت، خرید اینورتر دلتا سری EL با نسبت قیمت/کارایی عالی، نصب ساده و دسترسپذیری بالا، گزینهای ایدهآل خواهد بود.
دریافت کاتالوگ و لیست قیمت اینورتر دلتا EL
اگر بهدنبال خرید اینورتر دلتا EL یا دریافت کاتالوگ فارسی اینورتر ( درایو ) دلتا EL و لیست قیمت اینورتر EL هستید، همین حالا با کارشناسیان ما در تتا صنعت تماس بگیرید.
لیست قیمت درایو دلتا EL
خرید اینورتر EL | فروش اینورتر EL
پرسشهای متداول
❓ آیا اینورتر دلتا EL چاپر ترمز داخلی دارد؟
خیر؛ برای ترمز مقاومتی باید **ماژول ترمز BUE** و **مقاومت ترمز** را به ترمینالهای **DC+ / DC−** متصل کنید.
❓ حداکثر فرکانس خروجی و اضافهبار چقدر است؟
**0.1 تا 599 Hz** و **۱۵۰٪ بهمدت ۱ دقیقه** (مطابق دیتاشیت).
❓ کنترلها و ورودیهای مرجع سرعت چگونهاند؟
مرجع از **کیپد، آنالوگ 0–10 V / 4–20 mA، RS-485** و… قابل انتخاب است؛ حالتهای **۲ سیمه/۳ سیمه، چندسرعته، JOG** و… پشتیبانی میشود.
❓ در شبکههای **IT** چه باید کرد؟
از **RFI Jumper/Switch** استفاده کنید؛ موقعیت جمپر در نزدیکی ترمینالهای ورودی است.
❓ آیا امکان اشتراک باس DC وجود دارد؟
بله؛ بین چند **EL** همولتاژ امکانپذیر است (بهجز **مدلهای 115 V**).
❓ ارتباطات صنعتی پیشرفته چطور؟
بهصورت پیشفرض **RS-485 Modbus** دارید؛ برای **DeviceNet / PROFIBUS / CANopen / LonWorks** از ماژولهای **CME-DN01 / PD01 / COP01 / LW01** استفاده کنید.
نمایش همه 8 نتیجه







