اینورتر دلتا ME300 | درایو دلتا ME300 | راهنمای جامع و تخصصی
مقدمه
اینورتر دلتا ME300 نسل جدید درایوهای کامپکت وکتور دلتاست که با کاهش حجم تا حدود ۶۰٪ نسبت به نسلهای قدیمیتر ﹙مانند VFD﹣EL﹚، مجموعهای از قابلیتهای مهم را به صورت استاندارد در خود جای داده است: چاپر ترمز داخلی، فیلتر EMC داخلی ﹙Class A/C𝟐؛ در مدلهای ۴۶۰ ولت: C𝟑﹚، پشتیبانی از موتورهای القایی ﹙IM﹚ و مغناطیس دائم ﹙IPM/SPM﹚، توابع پمپی تک/چندپمپ، Modbus RS﹣𝟒𝟖𝟓 داخلی، و STO بهعنوان آپشن. ترکیب این ویژگی ها، ME300 را به گزینهای حرفهای برای خطوط تولیدی تبدیل میکند که با محدودیت فضا، نیاز به راهاندازی سریع، و اطمینانپذیری بالا روبهرو هستند.
مشخصات فنی کامل اینورتر دلتا ME300
توپولوژی و محدودههای قدرت/ولتاژ
۱۱۵V تکفاز: ۰٫۱ تا ۰٫۷۵ kW ﹙فریم A/C﹚
۲۳۰V تکفاز: ۰٫۱ تا ۲٫۲ kW ﹙فریم A/B/C﹚ — نسخههای «با فیلتر EMC داخلی» نیز موجود است.
۲۳۰V سهفاز: ۰٫۱ تا ۵٫۵ kW ﹙فریم A تا D﹚
۴۶۰V سهفاز: ۰٫۴ تا ۷٫۵ kW ﹙فریم A تا D﹚ — با گزینه «فیلتر EMC داخلی».
عملکرد درایوی و کنترل
روشهای کنترل: V/f و SVC ﹙Sensorless Vector Control﹚ برای IM و PM.
فرکانس خروجی: ۰ تا ۵۹۹ Hz ﹙دقت ±۰٫۱٪﹚.
گشتاور راهاندازی: تا ۲۰۰٪ در ۳ Hz ﹙کاربریهای دینامیک﹚.
محدوده کنترل سرعت ﹙HD﹚: ۱:۵۰ برای IM و ۱:۲۰ برای PM.
اضافهبار ﹙Dual Rating﹚:
ND: 𝟏𝟐𝟎﹪/𝟔𝟎s و 𝟏𝟓𝟎﹪/𝟑s
HD: 𝟏𝟓𝟎﹪/𝟔𝟎s و 𝟐𝟎𝟎﹪/𝟑s
چاپر ترمز داخلی: بهبود توان ترمزی؛ در بسیاری کاربردها بینیاز از مقاومت ترمز.
ورودی/خروجیهای کنترلی و شبکه
Modbus RS﹣𝟒𝟖𝟓 داخلی ﹙پروتکل Modbus RTU﹚.
ورودی پالسی/PWM تا ۱۰ kHz برای فرمان فرکانس.
PID داخلی، چندسرعته ﹙تا ۱۶ مرحله﹚، JOG، محدودکنندههای فرکانس، DC Injection، جستوجوی سرعت ﹙Speed Search﹚ و Ride﹣through قطع لحظهای.
ایمنی، EMC و دوام
STO مطابق ISO 𝟏𝟑𝟖𝟒𝟗﹣𝟏 Cat.𝟑 PL d، EN 𝟔𝟏𝟓𝟎𝟖 SIL𝟐، EN 𝟔𝟎𝟐𝟎𝟒﹣𝟏 Cat.𝟎، EN 𝟔𝟐𝟎𝟔𝟏 SIL CL𝟐 ﹙مدلهای S﹚.
فیلتر EMC داخلی: Class A ﹙C𝟐﹚؛ برای مدلهای ۴۶۰V کلاس C𝟑.
پوشش PCB ﹙𝟑C𝟑﹚، کیت NEMA𝟏/UL Type 𝟏 اختیاری، و سیمبندی بدون پیچ برای ترمینالهای کنترلی.
شرایط محیطی و نصب
محافظت بدنه: IP𝟐𝟎 ﹙Open Type﹚؛ با کیت NEMA𝟏 قابل ارتقا.
دما: ﹣۲۰ تا +۵۰°C ﹙تا +۶۰°C با دیریتینگ﹚.
ارتفاع: تا ۱۰۰۰ متر بدون دیریتینگ.
نصب کنارهم ﹙Side﹣by﹣Side﹚: با توجه به راهنمای حرارتی.
جدول مقایسه کامل اینورتر دلتا ME300 با دیگر سریهای درایو دلتا
برای انتخاب هوشمندانه، مقایسه ME300 با سریهای MS𝟑𝟎𝟎 ﹙کامپکت استاندارد﹚، VFD﹣EL ﹙میکرو نسل قدیم﹚ و C𝟐𝟎𝟎𝟎 Plus ﹙ کارایی بالا﹚ و بقیه سری های درایو دلتا مفید است. دادههای جدول از کاتالوگهای رسمی دلتا استخراج شده است.
سری اینورتر دلتا | توان(kW) | فرکانس خروجی(Hz) | ظرفیت اضافه بار | پروتکل ارتباطی | نوع کنترل | ولتاژ ورودی |
| MS300 | 0.2-22 | 0-599 | Normal Duty (ND) 120درصد جریان نامی به مدت 60ثانیه 150درصد جریان نامی به مدت 3 ثانیه Heavy Duty (HD) 150درصد جریان نامی به مدت 60ثانیه 200درصد جریان نامی به مدت 3 ثانیه | Modbus RTU روی RS485 کارت های جانبی: PROFIBUS DP, DeviceNet, Modbus TCP, EtherNet/IP, CANopen, EtherCAT, PROFINET | V/F SVC FOC Sensorless | تکفاز 115V تکفاز 230V 3فاز 230V 3فاز 460V 3 فاز 575V |
| EL-W | 0.2-5.5 | 0.1-400 | 150درصد جریان نامی به مدت 60ثانیه | Modbus RTU روی RS485 | SPWM (Sinusoidal Pulse Width Modulation) control (V/F Control, Vector Control) | تکفاز 200-240V سه فاز 380-400V |
| C200 | 0.75-630 | 0-599 | Normal Duty (ND) 120درصد جریان نامی به مدت 60ثانیه برای هر 5 دقیقه 160درصد جریان نامی به مدت3ثانیه برای هر30 ثانیه Heavy Duty (HD) 150درصد جریان نامی به مدت 60ثانیه برای هر 5 دقیقه 180درصد جریان نامی به مدت3ثانیه برای هر30 ثانیه | Modbus RTU روی RS485 CANopenکارت جانبی | V/F SVC VF+PG FOC+PG | تکفاز و سه فاز 230-460V |
| C2000 | 0.75-630 | 0-599 | Normal Duty (ND) 120درصد جریان نامی به مدت 60ثانیه برای هر 5 دقیقه 160درصد جریان نامی به مدت3ثانیه برای هر30 ثانیه Heavy Duty (HD) 150درصد جریان نامی به مدت 60ثانیه برای هر 5 دقیقه 180درصد جریان نامی به مدت3ثانیه برای هر30 ثانیه | Modbus RTU روی RS485 EtherNet/IP and MODBUS TCP protocol | 230 V / 460 V model: V / FSVCVF+PGFOC+PG TQC+PG PM+PG FOC sensorless TQC sensorless V / F+PG SVC | 230V 460V 575V 690V |
| CP2000 | 0.75-630 | 0-599 | Light Duty (LD) 120درصد جریان نامی به مدت 60ثانیه برای هر 5 دقیقه Normal Duty (ND) 120درصد جریان نامی به مدت 60ثانیه برای هر 5 دقیقه 160درصد جریان نامی به مدت3ثانیه برای هر30 ثانیه | BACnet and Modbus کارت های جانبی:PROFIBUS DP, PROFINET, DeviceNet, Modbus TCP, CANopen, CANopen and BACnet IP | V/F (V/F control) SVC (Sensorless Vector Control) PM (Permanent Magnet Motor) | 230V 460V 575V 690V |
| CH2000 | 0.75-450 | 0-599 | 200درصد جریان نامی به مدت 3 ثانیه برای هر 30 ثانیه 150درصد جریان نامی به مدت 60ثانیه برای هر 5 دقیقه | Modbus RTU روی RS485 CANopen/CANopen/EtherNet-IP/MODBUS TCP | V/F SVC VF + PG FOC + PG TQC + PG | تکفاز 115V تکفاز 230V |
| EL | 0.2-3.7 | 0.1-599 | 150درصد جریان نامی به مدت 60ثانیه | Modbus RTU روی RS485 PROFIBUS/ DeviceNet / CANopen | SPWM (Sinusoidal Pulse Width Modulation) control (V/F control) | تکفاز 115V تکفاز 230V |
| B | 0.75-75 | 0.1-400 | 150درصد جریان نامی به مدت 60ثانیه | Modbus RTU روی RS485 | SPWM (Sinusoidal Pulse Width Modulation) control (V/F control) | تکفاز و سه فاز 230V سه فاز460V سه فاز575V |
| ME300 | 0.1-7.5 | 0-599 | Normal Duty (ND) 120درصد جریان نامی به مدت 60ثانیه 150درصد جریان نامی به مدت 3 ثانیه Heavy Duty (HD) 150درصد جریان نامی به مدت 60ثانیه 200درصد جریان نامی به مدت 3 ثانیه | Modbus RTU روی RS485 | V/F SVC | تکفاز و سه فاز 230V سه فاز460V سه فاز575V |
| MH300-L | 0.2-15 | 0-299 | 150درصد جریان نامی به مدت 60ثانیه 200درصد جریان نامی به مدت 3 ثانیه | RS-485 (Modbus) / CAN port | V/F, SVC | 3فاز230V 3فاز 460V |
| M | 0.2-7.5 | 0.1-400 | 150درصد جریان نامی به مدت 60ثانیه | Modbus RTU روی RS485 | SPWM (Sinusoidal Pulse Width Modulation) control (V/F control) | تکفاز و سه فاز 230V سه فاز460V سه فاز575V |
کاربرد درایو دلتا ME300 در صنعت
- Fans & pumps فنها و پمپها
- Conveyors نوار نقالهها / سیستمهای نقاله
- Blowing machines دستگاههای دمنده
- Packing machines ماشینهای بستهبندی
- Wood working machines ماشینآلات صنایع چوب
نحوه پلاکخوانی اینورتر دلتا ME300
طبق کاتالوگ اینورتر دلتا ME300 ساختار کدگذاری به شما اجازه میدهد در یک نگاه ولتاژ ورودی، جریان نامی، وجود فیلتر EMC و STO را تشخیص دهید:
ساختار نمونه:
VFD 𝟐A𝟖 ME 𝟐𝟏 A F S A A
VFD: درایو فرکانس متغیر
𝟐A𝟖: جریان خروجی نامی در حالت HD ﹙مثلاً ۲٫۸A﹚
ME: سری ME300
𝟐𝟏 / 𝟐𝟑 / 𝟒𝟑 / 𝟏𝟏: ولتاژ ورودی ﹙𝟐𝟏=𝟐𝟑𝟎V تکفاز، 𝟐𝟑=𝟐𝟑𝟎V سهفاز، 𝟒𝟑=𝟒𝟔𝟎V سهفاز، 𝟏𝟏=𝟏𝟏𝟓V تکفاز﹚
A: نوع مدل ﹙استاندارد﹚
F / N: با فیلتر EMC / بدون فیلتر EMC
S / N: با STO / بدون STO
A A: سطح IP و نسخه
نمونه بالا یعنی: اینورتر DELTA ME300 با ورودی تکفاز ۲۳۰V، جریان نامی ۲٫۸A ﹙حدود ۰٫۴ kW﹚، با فیلتر EMC و با STO.
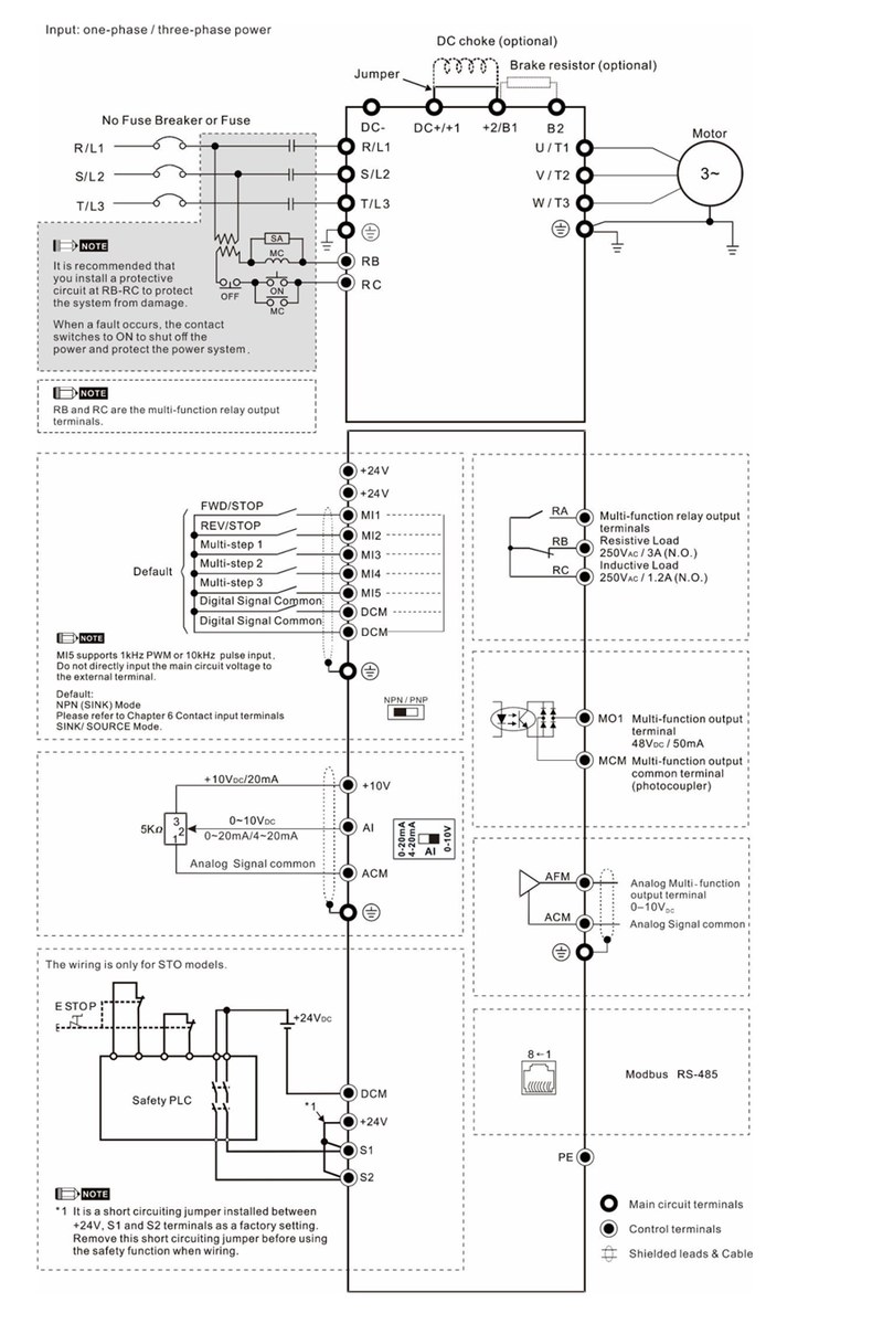
دیاگرام ورودی و خروجیهای اصلی اینورتر دلتا ME300
دیاگرام ورودی/خروجیهای کنترلی اینورتر دلتا ME300
مطابق با دیتاشیت و کاتالوگ اینورتر دلتا ME300 ترمینالهای کنترلی بسته به مدل ممکن است نامگذاری متفاوتی داشته باشند، اما معماری کلی به شکل زیر است. Modbus RS﹣𝟒𝟖𝟓 داخلی ﹙RJ𝟒𝟓﹚ و ورودی پالسی/PWM تا ۱۰kHz از نقاط برجستهاند. در مدلهای دارای STO، دو کانال ایمنی مستقل برای قطع گشتاور وجود دارد.
اجزای مختلف اینورتر دلتا ME300
پنل کاربری: نمایشگر LED چهاررقمی، پتانسیومتر تنظیم فرکانس، کلیدهای جهت حرکت.
فن قابل جداسازی: نگهداری ساده و افزایش طول عمر.
RFI Jumper جداشونده : سازگار با نیازهای مختلف EMC.
لیست قیمت درایو دلتا ME300 و راهنمای خرید
قیمت اینورتر DELTA ME300 به عواملی مانند: کلاس ولتاژ/توان، فریم، نیاز به چاپر ترمز/راکتور/فیلتر EMC، کارتهای شبکه و PG، درجه حفاظتی وابسته است. برای خرید و تهیه لیست قیمت اینورتر دلتا ME300 یا خرید اینورتر دلتا سری ME300 از لینک زیر اقدام کنید:
قیمت اینورتر دلتا ME300
نتیجهگیری تخصصی
اینورتر دلتا ME300 با تمرکز بر ایمنی ﹙STO﹚، کنترلهای پیشرفته ﹙SVC، DEB، Flying Start، PID﹚ و زیرساخت EMC، راهکاری یکپارچه برای طیف وسیعی از صنایع است. در مقایسه با سریهای قدیمیتر مانند VFD﹣EL، جمعوجورتر و کارآمدتر است؛ و در بسیاری از سناریوهای متداول، بدون نیاز به افزودن چاپر/فیلتر، آماده بهرهبرداری میباشد. اگرچه سری C𝟐𝟎𝟎𝟎 Plus برای بارهای بسیار سنگین و مودهای کنترلی پیچیده ﹙از جمله کنترل موقعیت﹚ انتخاب معقولتری است، اما در اکثر پروژههای عمومی تا متوسط، خرید اینورتر دلتا ME300 بهدلیل قیمت/عملکرد و سهولت راهاندازی، انتخاب هوشمندانه ای محسوب میشود.
راهنمای خرید و دریافت لیست قیمت و کاتالوگ اینورتر دلتا ME300
اگر بهدنبال خرید اینورتر دلتا ME300 با استعلام قیمت روز و دریافت کاتالوگ فارسی اینورتر دلتا DELTA ME300 هستید، توان موتور و نیازهای کنترلیتان را برای کارشناسان فنی ما اماده کنید؛ تا لیست قیمت اینورتر دلتا ME300 و پیشنهاد فنی مناسب ﹙با/بدون EMC، با/بدون STO﹚ در کوتاهترین زمان ارائه شود.
پرسشهای متداول
❓ تفاوت «درایو DELTA ME300» با «درایو DELTA MS300» چیست؟
**ME300** بر کامپکتبودن، **چاپر/EMC داخلی** و **توابع پمپی** تمرکز دارد؛ **MS300** نیز کامپکت است اما در برخی مدلها **ورودی/خروجی پالس 33 kHz** و گزینههای **EMC** و **شبکه ارتباطی** گستردهتری ارائه میکند.
❓ آیا برای راهاندازی پمپ با اینورتر DELTA ME300 لازم است کنترلر PID مجزا داشته باشم؟
خیر؛ **PID داخلی، Sleep Mode، Dry-run و Multi-Pump** در ME300 تعبیه شده است.
❓ آیا در درایو دلتا ME300 به مقاومت ترمز نیاز دارم؟
در بسیاری کاربردها، **Deceleration Energy Control** و **چاپر داخلی** زمان توقف را بدون مقاومت خارجی بهینه میکنند؛ اما برای توقفهای بسیار سریع یا بارهای با اینرسی بالا، **مقاومت ترمز** میتواند ضروری باشد.
❓ کدام مدل برای موتور ۲٫۲ kW سهفاز 230 V مناسب است؟
بهصورت نمونه **VFD11AME23A… (2.2 kW)** در حالت **HD** جریان **11 A** دارد؛ انتخاب نهایی به شرایط بار، دما و الزامات **EMC/STO** بستگی دارد.
❓ آیا ME300 از موتورهای IPM/SPM پشتیبانی میکند؟
بله؛ از **IM** و **PM (IPM/SPM)** پشتیبانی میکند.
❓ حداکثر فرکانس خروجی چقدر است؟
تا **599 Hz** با دقت **±0.1٪**.
نمایش همه 3 نتیجه






