اینورتر INVT مدل GD200L بررسی جامع مشخصات، کاربردها و مقایسه با سایر مدلها
مقدمه
در دنیای صنعتی امروز، کنترل دقیق و بهینه موتورهای الکتریکی نقش حیاتی در بهبود بهرهوری، کاهش مصرف انرژی و افزایش عمر تجهیزات دارد بنابراین اینورتر ( درایو ) اینوت GD200L از سری محصولات پیشرفته شرکت INVT است که بهطور ویژه برای کاربردهای متنوع صنعتی طراحی شده و قابلیتهای گستردهای برای کنترل موتورهای القایی فراهم میکند.
درایو اینوت GD200L با ترکیبی از فناوری کنترل حلقه باز و بسته، سازگاری با انواع موتورهای گیربکسی و رابطهای کاربری ساده، به مهندسان امکان میدهد تا سیستمهای پیچیده صنعتی را با دقتی بالا مدیریت کنند. از دیگر ویژگیهای اینورتر INVT GD200L میتوان به پروتکلهای ارتباطی استاندارد و انعطافپذیری بالا(این درایو میتواند در شرایط بار متفاوت، کاربردهای صنعتی گوناگون، روشهای کنترلی مختلف و در یکپارچهسازی با سیستمهای اتوماسیون متنوع عملکرد بهینهای داشته باشد.) اشاره کرد که، آن را به گزینهای ایدهآل برای صنایع مختلف از جمله آسانسور و خطوط تولید خودکار تبدیل کرده است.
در این مقاله، اطلاعات کاملی درباره INVT GD200L ارائه شده است و در آخر، راهنمای خرید و کاتالوگ و دفترچه راهنمای فارسی و لیست قیمت اینورتر ( درایو ) اینوت INVT GD200L نیز ارائه میگردد تا مهندسان و خریداران بتوانند تصمیمی آگاهانه و بهینه در مورد درایو اینوت GD200L اتخاذ کنند.
مشخصات فنی کامل اینورتر اینوت سری INVT GD200L
اینورتر INVT GD200L یک محصول پیشرفته و قابل اعتماد است که برای کاربردهای صنعتی با نیاز به کنترل دقیق موتور طراحی شده است. این دستگاه ترکیبی از کارایی بالا، انعطافپذیری و حفاظتهای جامع الکتریکی را به صورت کاملی ارائه میدهد. مطابق با دیتاشیت و کاتالوگ اینورتر اینوت GD200L مشخصات فنی این محصول ارائه شده است:
- مشخصات کلی
- دمای کاری :0~40 درجه سانتیگراد
- رطوبت مجاز :0~90% غیر متراکم
- درجه حفاظت :IP20
- وزن و ابعاد: بسته به توان و مدل
- مشخصات ورودی و توان
- ولتاژ ورودی: سه فاز 220 ولت، سهفاز 380 ولت، سه فاز 520ولت
- فرکانس ورودی :50یا60 هرتز
- توان خروجی: از 0.75 کیلووات تا 500 کیلووات(بسته به مدل)
- کنترل ولتاژ و جریان: پشتیبانی از کنترل V/F، کنترل برداری بدون سنسور (Sensorless Vector Control) و کنترل برداری با سنسور (Sensor Vector Control)
- مشخصات خروجی
- فرکانس خروجی: 0~400 هرتز
- ظرفیت اضافه بار: تا 150% جریان نامی در 1 ثانیه-180% جریان نامی در 10ثانیه-200% جریان نامی در1ثانیه
- حفاظتها:
- حفاظت در برابر اضافهجریان (Overcurrent Protection)
- حفاظت در برابر اضافهبار (Overload Protection)
- حفاظت در برابر اتصال کوتاه (Short Circuit Protection)
- حفاظت در برابر اضافهولتاژ (Overvoltage Protection)
- حفاظت در برابر افت ولتاژ (Undervoltage Protection)
- حفاظت در برابر افزایش دما (Overtemperature Protection)
جدول مقایسه کاربردها و مشخصات درایو اینوت GD200L با سایر سریها
| سری اینورتر اینوت | توان(کیلو وات) | فرکانس خروجی | ظرفیت اضافه بار | پروتکل ارتباطی | ولتاژ ورودی |
| GD10 | 0.2-2.2kW | 50Hz/60Hz, fluctuation:±5% | 150درصد جریان نامی به مدت یک دقیقه 180درصد جریان نامی به مدت 10ثانیه 200درصد جریان نامی به مدت 1ثانیه | Modbus RTU روی RS485 | تکفاز220-240ولت سه فاز220-240ولت سه فاز380-440ولت |
| GD20 | 0.4-110kW | 0–400Hz | 150درصد جریان نامی به مدت یک دقیقه 180درصد جریان نامی به مدت 10ثانیه 200درصد جریان نامی به مدت 1ثانیه | Modbus RTU روی RS485 | تکفاز220-240ولت سه فاز220-240ولت سه فاز380-440ولت |
| GD27 | 0.4-7.5kW بسته به مدل | 0–599Hz | 150درصد جریان نامی به مدت یک دقیقه 180درصد جریان نامی به مدت 10ثانیه | Modbus RTU روی RS485 | تکفاز200-240ولت سه فاز200-240ولت سه فاز380-480ولت |
| GD200L | 0.75-500kW | 0-400Hz | نوع G: 150درصد جریان نامی به مدت یک دقیقه 180درصد جریان نامی به مدت 10ثانیه | Modbus RTU روی RS485 | سه فاز220-240ولت سه فاز380-440ولت سه فاز 250-690ولت |
| GD200A | 0.75-500kW | 0-400Hz | نوعG: 150درصد جریان نامی به مدت یک دقیقه 180درصد جریان نامی به مدت 10ثانیه 200درصد جریان نامی به مدت 1ثانیه نوع P: 120درصد جریان نامی به مدت یک دقیقه 180درصد جریان نامی به مدت 10ثانیه 200درصد جریان نامی به مدت 1ثانیه | Modbus RTU روی RS485 | سه فاز 380-440ولت |
| GD270 | 30-500kW | 0-400Hz | قادر به کار با ۱۱۰٪ جریان نامی به مدت ۱ دقیقه، و اضافه بار مجاز برای هر ۵ دقیقه | Modbus RTU روی RS485 کارت های جانبی: PROFIBUS/CANopen Ethernet/PROFINET | سه فاز380-480ولت |
| GD350A | 1.5-500kW | 0-400Hz | نوعG: 150درصد جریان نامی به مدت یک دقیقه نوع P: 120درصد جریان نامی به مدت یک دقیقه | Modbus RTU روی RS485 کارت های جانبی: blutooth/WIFI PROFIBUS/CANopen Ethernet/PROFINET | سه فاز 380-440ولت |
| GD350-IP55 | 4-110kW | 0-400Hz | نوعG: 150درصد جریان نامی به مدت یک دقیقه 180درصد جریان نامی به مدت 10ثانیه 200درصد جریان نامی به مدت 1ثانیه نوع P: 120درصد جریان نامی به مدت یک دقیقه | Modbus RTU روی RS485 کارت های جانبی: blutooth/WIFI PROFIBUS/CANopen Ethernet/PROFINET | سه فاز 380-440ولت |
| GD350-19 | 1.5-500kW | 0–150Hz | 150درصد جریان نامی به مدت یک دقیقه 180درصد جریان نامی به مدت 10ثانیه 200درصد جریان نامی به مدت 1ثانیه | Modbus RTU روی RS485 کارت های جانبی: blutooth/WIFI PROFIBUS-DP/CANopen Ethernet/PROFINET | سه فاز380-440ولت سه فاز 250-690ولت |
کاربرد درایو اینوت سری GD200L در صنعت
اینورتر INVT GD200L به دلیل ویژگیهای پیشرفته، انعطافپذیری بالا و محافظتهای جامع، در بسیاری از صنایع کاربرد گسترده دارد. مطابق با دفترچه راهنمای فارسی و کاتالوگ اینورتر اینوت GD200L از جمله کاربردهای اصلی این درایو میتوان به موارد زیر اشاره کرد:
- سیستمهای آسانسور و بالابر
- کنترل نرم حرکت آسانسور: با استفاده از قابلیتهای شتاب و کاهش سرعت نرم (S-Curve) و کنترل حلقه بسته، حرکت آرام و دقیق آسانسور تضمین میشود.
- افزایش ایمنی: حفاظت در برابر اضافه جریان، اضافه ولتاژ و اتصال کوتاه باعث ایمنی موتور و سیستم میشود.
- سازگاری با موتورهای گیربکسی: GD200L به راحتی با موتورهای گیربکسی انواع آسانسورها هماهنگ میشود.
نحوه پلاکخوانی اینورتر INVT مدل GD200L
مطابق با کاتالوگ اینورتر اینوت GD200L پلاک اینورتر GD200L اطلاعات حیاتی درباره توان، ولتاژ، جریان، فرکانس و سایر ویژگیهای دستگاه را در اختیار کاربران قرار میدهد.
- اطلاعات اصلی روی پلاک
- مدل دستگاه: نشاندهنده سری و مدل اینورتر، مثلاً GD200L-075G
- توان خروجی (Rated Output): مشخص شده بر حسب کیلووات (kW)
- ولتاژ ورودی (Input Voltage): سهفاز 220v/380v
- فرکانس ورودی و خروجی (Input/Output Frequency): معمولاً 50/60 هرتز برای ورودی و 0~400 هرتز برای خروجی
- جریان نامی (Rated Current): جریان خروجی نامی اینورتر بر حسب آمپر (A)
- سایر اطلاعات: شماره سریال، سال ساخت، کلاس حفاظتی (IP)، و محدوده دمای کاری
نحوه تفسیر کد مدل
در کاتالوگ اینورتر اینوت GD200L مدلهای GD200L معمولاً شامل بخشهای زیر هستند:
GD200L – XXXG – 4
- GD200L: سری دستگاه
- XXX: توان خروجی بر حسب کیلووات، مثلاً 075 یعنی 0.75 kW
- G: نوع کنترل یا ویژگی خاص دستگاه
- 4: ولتاژ ورودی و نسخه سختافزاری
نکات کاربردی پلاکخوانی
- همیشه پلاک دستگاه را قبل از نصب و اتصال بررسی کنید تا از مطابقت با نیاز سیستم مطمئن شوید.
- توان خروجی و جریان نامی باید با موتور متصل شده هماهنگ باشد تا از اضافه بار و آسیب به موتور جلوگیری شود.
- بررسی ولتاژ ورودی و کلاس حفاظتی برای نصب صحیح و ایمن الزامی است.
- اطلاعات پلاک برای تنظیم پارامترهای اولیه اینورتر در HMI یا نرمافزار کنترل لازم است.
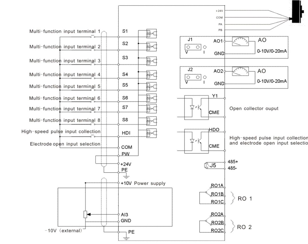
دیاگرام ورودی و خروجی اصلی اینورتر INVT GD200L
این ترمینالها برق اصلی و موتور را متصل میکنند:
| ترمینال | توضیحات |
| R/L1, S/L2, T/L3 | ورودی سهفاز برق AC |
| U/T1, V/T2, W/T3 | خروجی به موتور سهفاز |
| PE | زمین حفاظتی، ارت |
| B+, B- (Optional) | ترمینال مقاومت ترمز برای بارهای اینرسی بالا |
توضیح: جریان اصلی از ترمینالهای R/S/T به اینورتر وارد میشود و بعد از پردازش، از ترمینالهای U/V/W به موتور منتقل میشود. در صورت استفاده از بار با اینرسی بالا، انرژی برگشتی توسط مقاومت ترمز جذب میشود.
دیاگرام ورودی و خروجی کنترلی درایو INVT GD200L
| ترمینال | کاربری | مشخصات / یادداشتها |
| +10V | تغذیه مرجع آنالوگ | خروجی +10 ولت (مرجع برای ورودیهای آنالوگ). |
| AI3 | ورودی آنالوگ | بازه: −10 تا +10 ولت؛ تفکیکپذیری: حداقل mV5 وقتی V10 متناظر Hz 50 باشد)؛ دقت: ±1% در °C 25. |
| GND | مرجع | مرجع (صفر ولت) مربوط به +10V |
| AO1 | خروجی آنالوگ | 0–10 V یا 0–20 mA؛ دقت: ±1% در °C 25 ؛ جابهجایی/آفست با جامپر J1. |
| AO2 | خروجی آنالوگ | 0–10 V یا 0–20 mA؛ دقت: ±1% در 25 °C؛ جابهجایی/آفست با جامپر J2. |
| RO1A / RO1B / RO1C | رلهٔ RO1 | RO1A=NO باز، RO1B=NC بسته، RO1C=COM (مشترک)؛ توان کنتاکت: A3AC250V، A1DC30V |
| RO2A / RO2B / RO2C | رلهٔ RO2 | RO2A=NO، RO2B=NC، RO2C=COM؛ توان کنتاکت: A3AC250V، A1DC30V |
| PE | ارت حفاظتی | ترمینال زمین حفاظتی. |
| PW | تغذیه ورودیها (خارج→داخل) | تأمین توان سوئیچهای ورودی خارجی؛ 12–24 V. |
| 24V | تغذیه کمکی خروجی | حداکثر جریان خروجی mA 200 برای مصرفکنندهٔ کاربر. |
| COM | مرجع +24V | پایانهٔ مشترک +24Vبا CME اتصال کوتاه است. |
| S1…S8 | ورودیهای دیجیتال | قابل برنامهریزی؛ امپدانس داخلی kΩ 3.3 ؛ پذیرش V 12–30 ؛ پشتیبانی از NPN و PNP؛ بیشینهٔ فرکانس 1 kHz. |
| HDI | ورودی پرسرعت | کانال ورودی پرسرعت (غیر از S1…S8)؛ بیشینهٔ فرکانس kHz 50 |
| HDO | خروجی ترانزیستوری پرسرعت | توان سوئیچینگ 30mA200V؛ بازهٔ فرکانس خروجی 0–50 kHz. |
| PA / PB | ورودی اینکودر | فازهای A و B اینکودر افزایشی V24 |
| COM | مرجع +24V | مرجع مشترک در بلوک انکودرDI/DO |
| CME | مشترک خروجیها | مشترک HDO و Y1؛ به COM وصل است. |
| Y1 | خروجی ترانزیستوری | توان سوئیچینگ 30mA200V ؛ بازهٔ فرکانس خروجی kHz 0–1. |
| 485+ / 485− | ارتباط RS-485 | از کابل زوج بههمتابیده/شیلددار استفاده کنید. |
اجزای مختلف اینورتر اینوت سری GD200L
- Keypad port:اتصال کیپد به اینورتر
- Upper cover:محافظت از قطعات داخلی و اجزای درایو
- Keypad :برای کنترل و مشاهده اطلاعات؛ جزئیات در بخش Keypad Operation Procedure
- Cooling fan :فن خنککننده؛ جزئیات در Maintenance and Hardware Fault Diagnose
- Wires port: اتصال به برد کنترل و برد قدرت
- Name plate: پلاک مشخصات محصول؛ اطلاعات در Product Overview
- Side cover: بخش اختیاری؛ افزایش درجه حفاظت، اما دمای داخلی افزایش مییابد و نیاز به کاهش توان اینورتر دارد
- Control terminals: ترمینالهای کنترلی؛ جزئیات در Electric Installation
- Main circuit terminals: ترمینالهای مدار اصلی؛ جزئیات در Electric Installation
- Main circuit cable entry:محل ورود کابل مدار اصلی
- POWER light:نشانگر روشن بودن اینورتر
- Simple name plate: پلاک ساده؛ اطلاعات در Product Overview
- Lower cover: محافظت از قطعات داخلی و اجزای درایو
لیست قیمت اینورتر ( درایو ) اینوت GD200L
قیمت اینورتر اینوت GD200L بسته به توان خروجی و… متفاوت است. برای خرید اینورتر اینوت GD200L با بهترین قیمت و خدمات پس از فروش، همین حالا از تتا صنعت، نمایندگی رسمی اینوت INVT اقدام کنید.
لیست قیمت اینورتر و درایو اینوت GD200L
نتیجهگیری تخصصی
اینورتر GD200L یک درایو تخصصی، ایمن و پایدار برای آسانسور است که ترکیب کنترل دقیق برداری، امکانات حفاظتی کامل و… آن را به انتخابی مطمئن برای کاربردهای حرکتی حساس تبدیل میکند. در ادامه نکات مهم برای انتخاب اینورتر ذکر شده اند:
- انتخاب توان مناسب: توان خروجی اینورتر باید مطابق با توان موتور و بار متصل شده انتخاب شود تا از اضافه بار و آسیب به موتور جلوگیری شود.
- بررسی پروتکل ارتباطی: اگر سیستم اتوماسیون شما از Modbus یا CANopen استفاده میکند، مدل انتخابی باید پشتیبانی لازم را داشته باشد.
- در نظر گرفتن تجهیزات جانبی: مقاومت ترمز، کارت PG و کارتهای توسعه ممکن است هزینه اضافی داشته باشند.
- خرید اینورتر اینوت GD200L از نمایندگی رسمی: اطمینان از اصالت محصول و دریافت گارانتی رسمی اهمیت دارد.
- بررسی نیاز به نصب و فضای تابلو: قبل از خرید، ابعاد و وزن اینورتر را با فضای موجود مطابقت دهید.
دریافت کاتالوگ و قیمت اینورتر اینوت GD200L
اگر به دنبال کنترل دقیق، ایمنی بالا و بهرهوری انرژی در سیستمهای صنعتی خود هستید، خرید اینورتر ( درایو ) اینوت GD200L انتخاب ایدهآلی است. این درایو با ویژگیهای پیشرفته، محافظت جامع و انعطافپذیری بالا، راهکاری مطمئن برای انواع کاربردهای صنعتی از آسانسور و پمپ گرفته تا خطوط تولید سنگین است.
همین حالا اقدام کنید:
- برای خرید یا مشاوره تخصصی اینورتر ( درایو ) اینوت GD200L با کارشناسان ما تماس بگیرید.
- مشخصات فنی و دیتاشیت کامل اینورتر و درایو اینوت GD200L را بررسی کرده و مدل مناسب با نیاز خود را انتخاب کنید.
- با اطمینان از کیفیت و گارانتی رسمی، خریدی هوشمندانهای برای خطوط تولید خود داشته باشید.
دیتاشیت اینورتر اینوت INVT GD200L:
کاتالوگ فارسی اینورتر اینوت INVT GD200L
برای مشاهده و مقایسه انواع مدل های اینورتر سری GD200L اینوت اینجا را کلیک کنید.
برای مشاهده لیست قیمت اینورتر و درایو اینوت سری GD200L اینجا را کلیک کنید.
پرسشهای متداول
❓ اینورتر GD200L برای چه کاربردهایی طراحی شده است؟
اینورتر GD200L بهصورت ویژه برای کاربردهای آسانسوری و صنعتی طراحی شده است؛ اما در عمل برای پمپها، فنها، نوار نقالهها و ماشینآلات عمومی هم قابل استفاده است. دلیل انتخاب در آسانسورها: کنترل نرم، دقت بالای گشتاور و توقف/راهاندازی ایمن.
❓ اینورتر اینوت GD200L چه محدوده توان و ولتاژی را پوشش میدهد؟
ولتاژ ورودی:
- سهفاز 220~240 ولت
- سهفاز 380~440 ولت
- سهفاز 520~690 ولت
توان خروجی: از 0.75 کیلووات تا 500 کیلووات (بسته به مدل).
❓ اینورتر اینوت GD200L چه مدهای کنترلی دارد؟
سه روش اصلی:
- SVPWM Control (کنترل مدولاسیون برداری)
- Sensorless Vector Control (SVC): بدون انکدر، مناسبِ دقت سرعت/گشتاور
- Closed-loop Vector Control: با انکدر، برای دقت و پایداری بسیار بالا (مثلاً آسانسورهای سریع)
❓ قابلیت اضافهبار (Overload) اینورتر اینوت GD200L چقدر است؟
- 150% جریان نامی: 1 دقیقه
- 180% جریان نامی: 10 ثانیه
- 200% جریان نامی: 1 ثانیه
❓ چه امکانات حفاظتی در GD200L وجود دارد؟
حفاظت در برابر:
- اضافهجریان (Overcurrent)
- اضافهولتاژ (Overvoltage)
- افت ولتاژ (Undervoltage)
- دمای بالا (Overheat)
- اضافهبار (Overload)
- و موارد متداول مشابه…
❓ آیا اینورتر GD200L نیاز به واحد ترمز (Brake Unit) دارد؟
- تا 30 کیلووات: واحد ترمز داخلی دارد (تنها مقاومت ترمز اضافه میشود).
- بالاتر از 37 کیلووات: نیاز به واحد ترمز خارجی بههمراه مقاومت ترمز دارد.
❓ آیا امکان اتصال به شبکه صنعتی (Modbus/Profibus/CANopen/Ethernet) وجود دارد؟
Modbus-RTU روی RS-485 بهصورت داخلی و آماده است. Profibus، CANopen و Ethernet نیز از طریق ماژولهای جانبی قابل افزودناند.
❓ از اینورتر اینوت GD200L در چه دما و ارتفاعی میتوان کار کرد؟
- دما: 10 تا 50 درجهٔ سانتیگراد؛ بالاتر از 40 درجه → افت توان حدود 3% بهازای هر 1 درجه
- ارتفاع: تا 1000 متر بدون مشکل؛ بالاتر از آن → افت توان حدود 1% بهازای هر 100 متر
❓ خطاهای رایج در GD200L چیست و چگونه برطرف میشوند؟
- OV (Overvoltage): بررسی ولتاژ ورودی و مقاومت ترمز
- OC (Overcurrent): بررسی جریان موتور، کابلها و پارامترها
- OH (Overheat): بررسی فن خنککننده و تهویهٔ تابلو
- UV (Undervoltage): بررسی ولتاژ ورودی شبکه
- OL (Overload): بررسی بار موتور و تنظیمات حفاظتی
❓ آیا در درایو اینوت سری GD200L امکان کنترل چندسرعته یا برنامهریزی داخلی وجود دارد؟
بله:
- Multi-step Speed: اجرای چند سرعت با ورودی دیجیتال
- Simple PLC: اجرای سیکلهای ساده بدون PLC خارجی
- PID داخلی: کنترل فشار/دما/دبی برای پمپ و فن


