راهنمای جامع و تخصصی اینورتر LS IG5A (درایو ال اس سری IG5A)
مقدمه
«اینورتر LS IG5A» یا «اینورتر ال اس IG5A» یکی از محبوبترین درایوهای عمومی بازار است که با ترکیب ابعاد فشرده، قیمت اقتصادی و قابلیتهای کنترلی کامل، در طیف وسیعی از کاربردهای صنعتی استفاده میشود. این سری با پوشش توان 0.4-22kW در سطوح ولتاژی 200-230Vac و 380-480Vac عرضه شده و برای کاربردهای پمپ و فن تا نوار نقاله، میکسر، کامپرسور و ماشینآلات عمومی انتخابی مطمئن است. با خرید این سری از مزیتهای کلیدی «اینورتر LS IG5A» میتوان به کنترل برداری بدون سنسورSensorless Vector PID داخلی، ترمز دینامیکی داخلی، ورودیهای چندمنظوره PNP/NPN و پشتیبانی RS-485Modbus RTU/LS-BUS اشاره کرد. این مقاله—مطابق دیتاشیت و کاتالوگ رسمی اینورتر LS IG5A کلیه مشخصات فنی، دیاگرامهای قدرت و کنترل، ترمینالها، ابعاد، نحوه پلاکخوانی، کاربردها و نکات خرید را ارائه میکند.
مشخصات فنی کامل درایو LS IG5A
مطابق با دیتاشیت اینورتر LS IGA :
- بازه توان و ولتاژ ورودی: 0.4-1.5 kW تکفاز 200-230 Vac ؛ 0.4-22 kW سهفاز 200-230 Vac ؛ 0.4-22 kW سهفاز 380-480 Vac.
- روشهای کنترل: V/F، کنترل برداری بدون سنسور(SVC).
- دقت و تفکیکپذیری فرکانس: فرمان دیجیتال 0.01Hz، فرمان آنالوگ 0.06Hz
- ماکسیمم فرکانس خروجی: تا 400Hz قابل تنظیم هستند.
- ظرفیت اضافهبار: 150% بهمدت 1min.
- PID داخلی
- ترمز دینامیکی داخلی: مدار DB داخلی
- کامینیکیشن: RS-485 داخلی(Modbus RTU/LS-BUS)، با تنظیم Baud تا 19200bps
- استانداردها و محیط: IP20
- -10~50 درجه سانتی گراد
- رطوبت زیر 90 درصد
- ارتفاع تا 1000m(دیریت( derate ) 1% در هر100m از1000-4000m).
- حفاظتها و خطا ها: اضافهولتاژ/کمولتاژ/اضافهجریان/تشخیص خطای ارتینگ در حال کار/داغی درایو و موتور/قطع فاز خروجی/خطای اشکال فن/خطای سختافزار/از دست رفتن مرجع سرعت/خطای ارتباط.
جدول مقایسه کامل اینورتر ال اس IG5A با دیگر سریهای درایو ال اس
سری اینورتر LS | توان(kW) | فرکانس خروجی(Hz) | ظرفیت اضافه بار | پروتکل ارتباطی | نوع کنترل | ولتاژ ورودی |
| M100 | 0.1-2.2 | 0-400 | 150 درصد جریان نامی به مدت 1دقیقه | Modbus RTU روی RS485 وLS INV 485 | V/F schedule control Slip compensation control Simple sensorless control | تکفاز220V |
| IE5 | 0.1-0.4 | 0.1-200 | 150 درصد جریان نامی به مدت 1دقیقه | RS485 (LS Bus / Modbus RTU) | V/F | تکفاز220V |
| IG5A | 0.5-22 | 0.1-400 | 150 درصد جریان نامی به مدت 1دقیقه | RS485 (LS Bus / Modbus RTU) ماژول جانبی DeviceNet, EtherNet, Profibus-DP, CANOpen | V/f, Slip compensation, Sensorless vector | تکفاز220V سه فاز 220V سه فاز 380V |
| IS5 | 0.75-75 | 0-400 | Modbus RTU, Profibus-DP, DeviceNet, RS485(LS Bus), Fnet(LS PLC link) | V/f, Sensorless vector, Sensored vector control (Optional) | سه فاز 220V سه فاز 380V | |
| G100 | 0.4-22 | 0-400 | Heavy Duty (HD) 150درصد جریان نامی به مدت 60ثانیه Normal Duty (ND) 120درصد جریان نامی به مدت 60ثانیه | ModBus RTU LS INV 485 کارت های جانبی: Modbus TCP/IP,EtherNet/IP and RAPIEnet Profibus-DP, CANopen | V/F, Slip Compensation, Sensorless Vector | سه فاز 220V سه فاز 380V |
| IP5A | 5.5-450 | 0.1-120 | 120درصد جریان نامی به مدت 60ثانیه 110درصد جریان نامی به مدت 60ثانیه | RS485(LS Bus) کارت های جانبی: Modbus RTU, DeviceNet, Profibus-DP, LonWorks, BACnet, Modbus TCP*, CANOpen, CC-Link | V/f, Slip compensation, Sensorless vector | سه فاز 220V سه فاز 380V |
| IS7 | 0.75-375 | 0.1-400 Sensorless-1 control: 0.01-300Hz Sensorless-2 or Sensored control: 0.01-120Hz | Heavy Duty (HD) 150درصد جریان نامی به مدت 60ثانیه Normal Duty (ND) 110درصد جریان نامی به مدت 60ثانیه | RS485(LS Bus / Modbus RTU) کارت جانبی: Profibus-DP, DeviceNet, Modbus TCP, Rnet, LonWorks, CANopen, EtherNet/IP | V/f, V/f PG, Slip compensation, Sensorless-1 vector, Sensorless-2 vector, Sensored vector | سه فاز 220V سه فاز 380V |
| IV5 | 2.2-800 | 50-60 | – | کارت جانبی: RS485(LS Bus / Modbus RTU), Profibus-DP, DeviceNet | Sensor vector | سه فاز 220V سه فاز 380V |
| H100 | 0.75-90 | 0-400 | 120درصد جریان نامی به مدت 60ثانیه | BACnet, Modbus-RTU(RS485), Metasys N2 | V/F control, slip compensation | سه فاز 220V سه فاز 380V |
| S100 | 0.4-75 | 0-400 | Heavy Duty (HD) 150درصد جریان نامی به مدت 60ثانیه Normal Duty (ND) 120درصد جریان نامی به مدت 60ثانیه | کارت جانبی: rofibus-DP, EtherNet-IP, Modbus-TCP, CANopen | V/f, Slip compensation, Sensorless vector | تکفاز220V سه فاز 220V سه فاز 380V |
کاربرد درایو LS IG5A در صنعت
درایو LS IG5A برای کاربردهای عمومی: پمپها و فنها، نوار نقاله، همزن/میکسر، چیلر و HVAC عمومی، ماشینابزار سبک، پکیجهای صنعتی و خطوط مونتاژ ایدهآل است. کنترل برداری بدون سنسور خروجی گشتاور را در سرعتهای پایین بهبود میدهد و PID داخلی کنترل حلقهبسته دما/سطح/دبی/فشار را بدون PLC اضافی ممکن میکند. وجود ورودیهای PNP/NPN، فرمانهای 3-Wire و Up/Down، و ترمینالهای آنالوگ 0-10V، -10-10V، 0-20mA آزادی عمل بالایی به طراح میدهد.
نحوه پلاکخوانی درایو LS IG5A
ساختار نامگذاری IG5A در نسخه مجهز به گزینههای فیلدباس بهشکل زیر آمده است:
SV xxx iG5A – 2 FB
- SV: اینورتر LS
- xxx: ظرفیت توان(مثلاً 004=0.4kW، 075=7.5kW)
- iG5A: سری محصول
- -2: کلاس ورودی(1=تکفاز200Vکلاس، 2=سهفاز200Vکلاس، 4=سهفاز400Vکلاس)
- FB: نسخه آماده نصب ماژول ارتباطی(DeviceNet/Ethernet)
برای مدلهای استاندارد بدون FB، کد مشابه ولی بدون پسوند FB دیده میشود.
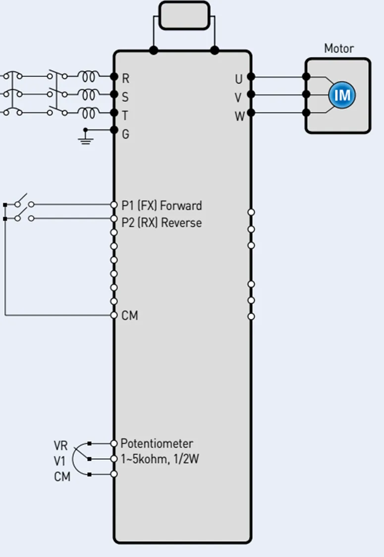
دیاگرام ورودی و خروجیهای قدرت اینورتر ال اس IG5A
- ورودی AC سهفاز: R(L1)/S(L2)/T(L3)
- خروجی به موتور: U/V/W
- پورت ترمز دینامیکی (DB): B1-B2
- لینک DC(مدلهای≥11kW): P(+)=P1(+)، N(-)
- ترمینال زمین: G/PE
- تکفاز(0.4-1.5kW): ورودی AC به R و T متصل میشود.
برای مدلهای بزرگ، محل ترمینال DC Reactor نیز مشخص شده است.
دیاگرام ورودی/خروجیهای کنترلی(I/O) اینورتر ال اس IG5A
ورودیهای دیجیتال: P1-P8 با CM؛ PNP/NPN(S8). پیشفرضها: P1=FX، P2=RX، P3=BX، P4=RST، P5=JOG، P6/P7/P8=Low/Mid/High.
- حد تحریک با منبع خارجی: با 24Vdc خارجی سطح فعالسازی>12V باشد.
- ورودی آنالوگ سرعت: V1=0-10V یا -10-10V و I=0-20mA(مقاومت داخلی 250Ω).
- مرجع ولوم داخلی: VR=10V برای پتانسیومتر1-5kΩ.
- خروجی آنالوگ مانیتور: AM=0-10V(max10mA) قابلانتخاب برای Hz/A/V/DC-link.
- خروجی ترانزیستوری: MO/MG(Open-Collector تا DC26V,100mA).
- رله چندمنظوره: 3A/3B/3C(AC250V,1A یا DC30V,1A).
- تغذیه کمکی: 24Vdc(max100mA) برای ورودیها/سنسورها.
- ارتباط سریال: RS-485 روی S+/S- با Modbus RTU/LS-BUS؛ Baud تا 19200bps و آدرس1-250؛ ترمینیشن با S9.
اجزای اینورتر ال اس IG5A
اجزای درایو LS IG5A در ادامه ذکر شده است:
لیست قیمت درایو ال اس IG5A
قیمت اینورتر LS IG5A تابعی از توان(KW/HP)، کلاس ولتاژ(-1/-2/-4)، نوع پنل/آپشنهای ارتباطی(FB)، لوازم جانبی(مقاومت ترمز، فیلتر EMC، رآکتور)، گارانتی و… است.
- لیست قیمت درایو LS IG5A بهروز و دستهبندیشده بر اساس توان/کلاس ولتاژ و…
- خرید اینورتر LS IG5A با گارانتی معتبر، مشاوره فنی برای انتخاب بهتر، اعلام موجودی لحظهای و ارسال سریع به سراسر کشور.
- فروش اینورتر ال اس IG5A بهصورت سازمانی و پروژهای؛ صدور پیشفاکتور رسمی، گزینههای نصب/راهاندازی و تأمین لوازم جانبی.
نکات کاربردی خرید و انتخاب درایو ال اس IG5A
مطابق با دیتاشیت اینورتر LS IGA :
- انتخاب توان/کلاس ولتاژ: مطابق پلاک موتور و شبکه تغذیه؛ برای بارهای سنگین با گشتاور راهاندازی بالا، اینورتر LS IG5A را در مود SVC تنظیم و پارامترهای موتور را دقیق وارد کنید.
- ترمز دینامیکی: اگر توقف سریع لازم است، مقاومت ترمز مناسب با توان تلفاتی و Duty انتخاب کنید؛ مدار DB داخلی درایو ال اس IG5A از آن پشتیبانی میکند.
- محیط و EMC: برای تابلوهای حساس، فیلترهای RFI/EMI سری FE/FF مطابق توصیه منوال استفاده و مسیر کابلها را کوتاه نگه دارید.
- کامینیکیشن صنعتی: برای مانیتورینگ/کنترل شبکهای، RS-485 داخلی کفایت میکند؛ در صورت نیاز به DeviceNet/Ethernet نسخه FB را تهیه کنید.
نتیجهگیری تخصصی
درایو LS IG5A ترکیبی از کارایی عمومی، قیمت اقتصادی و انعطاف در کنترل ارائه میدهد. کنترل برداری بدون سنسور، PID داخلی، DB داخلی، ورودیهای PNP/NPN، RS-485 و ابعاد فشرده، خرید اینورتر LS IGA را برای بسیاری از پروژهها به گزینهای مطمئن تبدیل کرده است. در عین حال، پایبندی به دستورالعملهای نصب/EMC، انتخاب صحیح لوازم جانبی(مقاومت ترمز/راکتور/فیلتر)، و تنظیم دقیق پارامترهای موتور، کلید بهرهبرداری پایدار و بلندمدت از درایو LS IG5A است.
راهنمای خرید و دریافت لیست قیمت و دیتاشیت اینورتر LS IG5A
برای خرید اینورتر LS IG5A با گارانتی معتبر، مشاوره فنی و دریافت لیست قیمت اینورتر LS IG5A بهروز، همین حالا با تیم فروش تماس بگیرید. فروش اینورتر LS IG5Aدر توان/کلاس ولتاژ و… موجود است. برای نصب و راه اندازی درایو LS IG5A و تنظیم پارامترهای اینورتر ال اس G5A نیز میتوانید از خدمات راهاندازی بهره ببرید، تا دستگاه شما طبق دیتاشیت اینورترLS IG5A و کاتالوگ فارسی درایو ال اس IG5A بهترین عملکرد را ارائه کند.
پرسشهای متداول
❓ آیا درایو LS IG5A ترمز دینامیکی داخلی دارد؟
بله؛ مدار **DB داخلی** دارد و با اتصال **مقاومت ترمز خارجی** میتوان به **توقف سریعتر** رسید.
❓ دقت مرجع فرکانس و رزولوشن در LS IG5A چقدر است؟
فرمان **دیجیتال:** رزولوشن **0.01 Hz** با دقت **0.01%**. فرمان **آنالوگ:** رزولوشن **0.06 Hz** با دقت **0.1%** نسبت به فرکانس ماکزیمم.
❓ آیا ورودیهای دیجیتال LS IG5A از نوع PNP/NPN هستند؟
بله؛ از طریق **سوییچ S8** قابلانتخاباند و با **24 V خارجی (بیش از 12 V)** تحریک میشوند.
❓ RS-485 در LS IG5A از چه پروتکلهایی پشتیبانی میکند؟
**Modbus RTU** و **LS-BUS** با نرخ Baud تا **19200 bps** و آدرسدهی **1–250**.
❓ حفاظتها و خطاهای مهم در LS IG5A چیست؟
**OV/UV/OC**، تشخیص **Ground Fault** حین کار، **گرمای بیشازحد درایو/موتور**، **قطع فاز خروجی**، خطای **فن/سختافزار/ارتباط** و … .
❓ بازه توان/ولتاژ مدلهای LS IG5A چگونه است؟
**0.4–22 kW** در کلاسهای **200–230 VAC** و **380–480 VAC**؛ نسخهٔ **تکفاز 0.4–1.5 kW** نیز موجود است.
❓ دیتاشیت و کاتالوگ فارسی LS IG5A را از کجا دانلود کنم؟
مشخصات فوق از **کاتالوگ و دفترچهٔ راهنمای LS IG5A** استخراج شده است؛ برای دانلود، به لینکهای **«دیتاشیت اینورتر LS IG5A»** و **«کاتالوگ فارسی درایو LS IG5A»** که ذکر کردهاید مراجعه کنید.
نمایش همه 18 نتیجه






