اینورتر LS IS7 | اینورتر ال اس IS7 راهنمای فنی، کاربردی و خرید
مقدمه
اینورتر LS IS7 (که در بازار به شکلهای «درایو LS IS7»، «اینورتر ال اس IS7» یا LS inverter IS7 هم نوشته میشود) نسل استاندارد-پرفورمنس درایوهای برداری شرکت LS Electric است. iS7 با تمرکز بر گشتاور قوی در سرعتهای پایین، کنترل برداری سنسوردار و سنسورلس، پاسخ سریع، و انعطافپذیری ارتباطی و I/O، طیف وسیعی از کاربردهای عمومی صنعتی تا بارهای سنگین را پوشش میدهد. محدودههای اصلی عرضه طبق کاتالوگ رسمی عبارتاند از: ۰٫۷۵ تا ۷۵ کیلووات در کلاس ۲۰۰–۲۳۰Vac سهفاز و ۰٫۷۵ تا ۳۷۵ کیلووات در کلاس ۳۸۰–۴۸۰Vac سهفاز؛ همچنین نسخههای IP54 (UL Type 12) تا ۲۲ کیلووات موجود هستند.
از منظر عملکرد، با خرید اینورتر LS IS7 T ، کنترل برداری سنسورلس با گشتاور ۱۵۰٪ در ۰٫۱Hz، کنترل برداری سنسوردار با گشتاور لحظهای تا ۲۵۰٪ و محدوده کنترل سرعت ۱۰۰۰:۱، اتوتیون بدون چرخش/چرخشی، پاور برِیکینگ Power Braking- ، KEB (ذخیره انرژی جنبشی)، Speed Search و Ride-Through (تاخیر تریپ افت ولتاژ)؛ همگی در iS7 پیادهسازی شدهاند. همچنین STO دوکاناله (PLd / SIL2) بهعنوان گزینه ایمنی در این سری فراهم است.
مشخصات فنی کامل اینورتر LS IS7
محدودههای اصلی (توان، ولتاژ، درجه حفاظت) در درایو LS IS7
- ولتاژ ورودی سهفاز در دو کلاس رایج ارائه میشود:
- کلاس -2: حدود 200 تا 230 ولت AC
- کلاس -4: حدود 380 تا 480 ولت AC
توان نامی:
مطابق با کاتالوگ و دیتاشیت اینورتر LS IS7 :
معمولاً از حدود 0.75 کیلووات تا 375 کیلووات (بسته به کلاس ولتاژ).
درجه حفاظت بدنه:
IP21 / UL Type 1 برای نصب داخل تابلو و محیطهای نسبتاً تمیز،
IP54 / UL Type 12 (تا حدود 22 کیلووات) برای محیطهای دارای گردوغبار یا شرایط سختتر.
جمعبندی: هنگام انتخاب، کلاس ولتاژ را با شبکهٔ موجود، و توان اینورتر را با توان و جریان نامی موتور تطبیق دهید.
مدهای کنترلی
V/F (ولتاژ بر حسب فرکانس): سادهترین روش. برای کاربردهای عمومی سبک مانند پمپها و فنها مناسب است.
برداری سنسورلس (Sensorless Vector): بدون نیاز به انکدر، کنترل بهتر سرعت و گشتاور را خصوصاً در سرعتهای پایین فراهم میکند؛ برای بسیاری از ماشینآلات صنعتی گزینه مناسبی است.
برداری سنسوردار (Vector با انکدر): دقیقترین روش. با افزودن انکدر به محور موتور، کنترل بسیار دقیق سرعت و گشتاور حاصل میشود؛ برای بالابرها، کرِینها، اکستروژن و کاربریهایی که دقت بالا میخواهند توصیه میشود.
جبران لغزش (Slip Compensation): اختلاف بین سرعت سنکرون و واقعی موتور را جبران میکند تا سرعت خروجی به مقدار مرجع نزدیک باقی بماند.
راهنمای ساده: V/F = ساده و اقتصادی؛ سنسورلس = دقیقتر بدون سنسور؛ برداری سنسوردار = دقیقترین، اما نیازمند انکدر.
CT و VT در انتخاب ظرفیت
CT (گشتاور ثابت): برای بارهایی که تقریباً گشتاور ثابتی نیاز دارند؛ مانند اکسترودر، کمپرسورهای پیچی، نوار نقالههای سنگین.
VT (گشتاور متغیر): برای پمپها و فنها که گشتاور با سرعت تغییر میکند.
هر اینورتر معمولاً دو جریان نامی اعلام میکند: CT (بزرگتر) و VT (کوچکتر). انتخاب باید براساس نوع بار انجام شود.
نمونه: برای پمپ/فن، حالت VT ملاک است؛ برای اکسترودر یا نوار نقاله سنگین، حالت CT.
عملکردهای کاربردی مهم (خلاصه و روشن)
مطابق با کاتالوگ و دیتاشیت اینورتر LS IS7 :
اتوتیون (Autotune): اینورتر پارامترهای موتور را شناسایی میکند تا کنترل بهینه شود.
ایستاده (Standstill): بدون چرخش محور موتور.
چرخشی (Rotary): با چرخاندن موتور؛ دقت بالاتر.
Speed Search: در صورت قطع و وصل لحظهای برق یا چرخش از پیش موجود موتور، اینورتر سرعت واقعی را تشخیص داده و بهصورت نرم همگام میشود؛ از ضربه مکانیکی جلوگیری میشود.
Ride-Through / KEB (استفاده از انرژی جنبشی): در افت کوتاه ولتاژ، اینورتر بهسرعت از مدار خارج نمیشود و با انرژی ذخیرهشده در محور، کنترل را برای لحظاتی حفظ میکند.
ترمز (Braking):
Flux/Power Braking: ترمز الکتریکی بدون مقاومت خارجی (مناسب توقفهای سبک).
ترمز دینامیکی (DB): نیازمند مقاومت ترمز است و برای توقفهای سریع یا بارهای سنگین بهکار میرود. در توانهای پایین معمولاً ترانزیستور ترمز داخلی وجود دارد؛ در توانهای بالا واحد DB خارجی لازم است.
PID داخلی: برای کنترل فرایندهایی مانند نگهداشتن فشار/دبی ثابت.
Droop: در کاربردهای چندموتوره، تقسیم بار را بهبود میدهد.
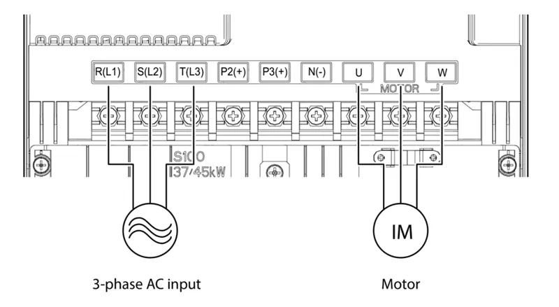
6) ترمینالها و اتصالات (قدرت و کنترل) درایو LS IS7
قدرت
ورودی شبکه سهفاز: پایانههای R(L1)، S(L2)، T(L3) همراه با ارت PE.
خروجی به موتور: پایانههای U، V، W همراه با ارت PE.
لینک DC: پایانههای P(+) و N(-) برای ارتباطات باس DC (مانند اتصال DB Unit یا راکتور DC).
ترمز دینامیکی: پایانههای مرتبط با DB (مانند B1/B2) جهت اتصال مقاومت ترمز یا واحد ترمز خارجی.
دو تذکر بسیار مهم:
خازن اصلاح ضریب توان و تجهیزات مشابه هرگز نباید به خروجی U/V/W متصل شوند؛ این تجهیزات فقط در ورودی شبکه نصب میشوند.
کنتاکتور روی مسیر خروجی U/V/W قرار داده نشود (وجود کنتاکتور در ورودی مجاز است).
کنترل (I/O)
ورودیهای دیجیتال (P1..P8): برای فرمانهای حرکت روبهجلو/عقب، توقف سریع (BX)، ریست، انتخاب گامهای سرعت، JOG و… .
ورودیهای آنالوگ: معمولاً یک ورودی ۰–۱۰ ولت و یک ورودی ۴–۲۰ میلیآمپر برای مرجع سرعت یا کمیتهای فرایندی.
خروجیهای آنالوگ (AO): ارسال بازخورد سرعت/جریان/فرکانس به PLC یا نمایشگر (۰–۱۰ ولت یا ۴–۲۰ میلیآمپر).
خروجیهای رلهای/ترانزیستوری: وضعیتهایی مانند RUN، آلارم یا رسیدن به سرعت مرجع را اعلام میکنند.
ارتباط سریال: RS-485 با پروتکلهای رایج مانند Modbus-RTU/LS485.
گزینههای توسعهای: کارتهای شبکه Profibus، DeviceNet، CANopen، PROFINET، EtherNet/IP، CC-Link و…؛ کارت انکدر برای برداری سنسوردار؛ و کارت سنکرون برای چند محور.
نکته تطبیقپذیری: ورودیهای دیجیتال غالباً قابلتعریف به صورت Sink یا Source هستند تا با انواع سنسورها یا PLCها سازگار شوند.
حفاظتها و نکات ایمنی
حفاظتهای متداول: اضافهجریان (OC)، اضافهولتاژ/کمولتاژ باس DC، اتصال بدنه/زمین، حرارت بیش از حد و… .
STO (Safe Torque Off) دوکاناله: ورودی ایمنی استاندارد که گشتاور خروجی را قطع میکند (مطابق سطوح ایمنی PLd / SIL2).
فیلتر EMC و راکتور DC (DCR): برای کاهش تداخل الکترومغناطیسی و هارمونیک شبکه بهکار میروند. برخی مدلها بهصورت داخلی دارای EMC و/یا DCR هستند که معمولاً با حروف F (برای EMC) و D (برای DCR) در کد مدل مشخص میشود.
ترمینالهای کنترل (I/O)
ورودیهای دیجیتال (DI)
ترمینالهای P1…P8، قابلبرنامهریزی برای: FWD/REV، BX (توقف لحظهای)، RST (ریست)، انتخاب سرعتهای پلهای، JOG.
قابل انتخاب در هر دو منطق Sink / Source (سازگار با سنسورهای NPN/PNP و PLC).
ورودیهای آنالوگ (AI)
V1: مرجع ولتاژی 0-10 یا 10V±؛ امکان اتصال پتانسیومتر از طریق VR+ / VR−.
I1: مرجع جریانی 0–20mA / 4–20mA (برای فشار، دبی، سرعت و…).
منابع کمکی آنالوگ: +12V / −12V (برای تغذیه مبدلها/سنسورها با جریان محدود).
خروجیها
AO1 (0–10V) و AO2 (0/4–20mA): مانیتورینگ سرعت/فرکانس/جریان به نشاندهنده یا PLC.
Q1 (Open-Collector): اعلام وضعیت (RUN/FAULT/بهسرعترسیدن و…).
Relay 1 / Relay 2 (NO): سیگنالهای کنترلی/آلارمهای قابل تخصیص.
تغذیه کمکی و ارتباط سریال
24VDC کمکی (جریان محدود) روی ترمینالبلوک برای تغذیه سنسورهای بیرونی.
پورت RS-485 (S+ / S−) داخلی با پروتکل Modbus-RTU/LS485؛ ترمینیشن 120Ω (TR) داخلی برای انتهای باس.
اسلاتهای توسعه (Option Slots)
Slot #1 — Fieldbus:
کارتهای شبکه صنعتی (PROFINET، CC-Link IE Field، EtherNet/IP، Modbus-TCP، Profibus-DP، DeviceNet، CANopen، CC-Link، LonWorks، RAPIEnet و…).
Slot #2 — PLC / Extension I/O / Synchronous:
PLC داخلی (Master-K 120S) با I/O افزوده و ساعت داخلی،
Extension I/O برای افزایش نقاط ورودی/خروجی،
Synchronous Option برای سنکرونکردن چند محور.
Slot #3 — Encoder / Position:
کارتهای انکدر 5/12/15/24V (Line-Driver / Open-Collector) تا حدود 200kHz،
Position/Synchronization و ورودیهای اختصاصی ترمز/ایمنی مرتبط.
انتخاب منبع فرمان و مرجع سرعت
Command Source: کیپد / ترمینالها (P1..P8) / RS-485 / فیلدباس (Slot #1).
Frequency Reference: V1 (0–10V یا ±10V) / I1 (4–20mA) / RS-485 / فیلدباس.
برای کاربردهای فرایندی: Bias/Gain و فیلترکردن مرجع آنالوگ را در پارامترها تنظیم کنید.
نکات سیمکشی کنترلی
جداسازی فیزیکی کابل قدرت از کابل کنترل/انکدر/شبکه؛ استفاده از زوج تابیدهٔ شیلددار برای RS-485/انکدر/آنالوگ.
فعالسازی TR=120Ω فقط در انتهای فیزیکی باس RS-485.
در صورت نیاز به حفظ ارتباط در قطع برق ورودی، استفاده از تغذیه کمکی 24V برای برد کنترل (آپشن مستقل از 24V ترمینالبلوک).
انتخاب کارت شبکه بر اساس معماری سیستم
PLC زیمنس: معمولاً PROFINET (یا Profibus-DP در سامانههای قدیمیتر).
PLC میتسوبیشی: CC-Link / CC-Link IE Field.
Rockwell/Allen-Bradley: EtherNet/IP.
معماری Modbus بر بستر IP: Modbus-TCP.
شبکههای مبتنی بر CAN: CANopen / DeviceNet.
زنجیره LS یا نیاز به رینگ سریع: RAPIEnet.
جدول مقایسه کامل اینورتر LS IS7 با دیگر سریهای درایو LS
هدف این جدول، انتخاب سریع بین گزینهها با تکیه بر مشخصات فنی اینورتر LS سری IS7 و معیارهای کاربردی است.
| سری اینورتر LS | توان(kW) | فرکانس خروجی(Hz) | ظرفیت اضافه بار | پروتکل ارتباطی | نوع کنترل | ولتاژ ورودی |
| M100 | 0.1-2.2 | 0-400 | 150 درصد جریان نامی به مدت 1دقیقه | Modbus RTU روی RS485 وLS INV 485 | V/F schedule control Slip compensation control Simple sensorless control | تکفاز220V |
| IE5 | 0.1-0.4 | 0.1-200 | 150 درصد جریان نامی به مدت 1دقیقه | RS485 (LS Bus / Modbus RTU) | V/F | تکفاز220V |
| IG5A | 0.5-22 | 0.1-400 | 150 درصد جریان نامی به مدت 1دقیقه | RS485 (LS Bus / Modbus RTU) ماژول جانبی DeviceNet, EtherNet, Profibus-DP, CANOpen | V/f, Slip compensation, Sensorless vector | تکفاز220V سه فاز 220V سه فاز 380V |
| IS5 | 0.75-75 | 0-400 | Modbus RTU, Profibus-DP, DeviceNet, RS485(LS Bus), Fnet(LS PLC link) | V/f, Sensorless vector, Sensored vector control (Optional) | سه فاز 220V سه فاز 380V | |
| G100 | 0.4-22 | 0-400 | Heavy Duty (HD) 150درصد جریان نامی به مدت 60ثانیه Normal Duty (ND) 120درصد جریان نامی به مدت 60ثانیه | ModBus RTU LS INV 485 کارت های جانبی: Modbus TCP/IP,EtherNet/IP and RAPIEnet Profibus-DP, CANopen | V/F, Slip Compensation, Sensorless Vector | سه فاز 220V سه فاز 380V |
| IP5A | 5.5-450 | 0.1-120 | 120درصد جریان نامی به مدت 60ثانیه 110درصد جریان نامی به مدت 60ثانیه | RS485(LS Bus) کارت های جانبی: Modbus RTU, DeviceNet, Profibus-DP, LonWorks, BACnet, Modbus TCP*, CANOpen, CC-Link | V/f, Slip compensation, Sensorless vector | سه فاز 220V سه فاز 380V |
| IS7 | 0.75-375 | 0.1-400 Sensorless-1 control: 0.01-300Hz Sensorless-2 or Sensored control: 0.01-120Hz | Heavy Duty (HD) 150درصد جریان نامی به مدت 60ثانیه Normal Duty (ND) 110درصد جریان نامی به مدت 60ثانیه | RS485(LS Bus / Modbus RTU) کارت جانبی: Profibus-DP, DeviceNet, Modbus TCP, Rnet, LonWorks, CANopen, EtherNet/IP | V/f, V/f PG, Slip compensation, Sensorless-1 vector, Sensorless-2 vector, Sensored vector | سه فاز 220V سه فاز 380V |
| IV5 | 2.2-800 | 50-60 | – | کارت جانبی: RS485(LS Bus / Modbus RTU), Profibus-DP, DeviceNet | Sensor vector | سه فاز 220V سه فاز 380V |
| H100 | 0.75-90 | 0-400 | 120درصد جریان نامی به مدت 60ثانیه | BACnet, Modbus-RTU(RS485), Metasys N2 | V/F control, slip compensation | سه فاز 220V سه فاز 380V |
| S100 | 0.4-75 | 0-400 | Heavy Duty (HD) 150درصد جریان نامی به مدت 60ثانیه Normal Duty (ND) 120درصد جریان نامی به مدت 60ثانیه | کارت جانبی: rofibus-DP, EtherNet-IP, Modbus-TCP, CANopen | V/f, Slip compensation, Sensorless vector | تکفاز220V سه فاز 220V سه فاز 380V |
کاربرد درایو اینورتر LS IS7 در صنعت
- ماشینسازی عمومی (اکستروژن، پرس، سانتریفیوژ، کمپرسور): پاسخ سرعت ۵۰Hz و گشتاور لحظهای تا ۲۵۰٪ در حالت سنسوردار، ایستایی سرعت و Speed Search برای راهاندازی مجدد بار در حال چرخش.
- کرِین/بالابر سبک و تجهیزات انبار: Droop برای اشتراک بار/بالانس گشتاور، Brake/Flux Braking برای توقف مطمئن و KEB جهت توقف ایمن در افت برق.
- خطوط پیوسته عمومی (کاغذ، فیلم، کابل، نساجی سبک): PID داخلی، ورودی پالس تا ۲۰۰kHz برای سنجش/همزمانی، و گزینه Synchronous برای سنکرون سرعت/موقعیت.
نحوه پلاکخوانی اینورتر LS IS7
الگوی نامگذاری نمونه:
SV [کد توان] iS7 – [2 یا 4] – [N/S…] (F) (D) [Type 1/12] …
SV: نشاندهنده خانواده درایوهای LS.
[کد توان]: کد عددی متناظر با توان (برای نمونه 0110 ≈ 11 kW).
iS7: سری محصول.
-2 / -4: کلاس ولتاژ (200V / 400V).
N/S: نوع کیپد/پنل.
(F): وجود EMC داخلی.
(D): وجود DCR داخلی.
Type 1/12: نوع بدنه (IP21 / IP54).
نمونه : SV0220iS7-4N(F)(D) → درایو حدود 22 kW، کلاس 400V، با EMC و DCR داخلی.
دیاگرام ورودی و خروجیهای قدرت اینورتر الاس IS7
ورودی AC سهفاز (شبکه):
ترمینالها: R(L1)، S(L2)، T(L3) بههمراه ارت G/PE.
در دیاگرام «Wiring» حضور MCCB (کلید حفاظتی) و MC (کنتاکتور) در سمت ورودی نشان داده شده است.
خروجی سهفاز به موتور:
ترمینالها: U، V، W بههمراه اتصال ارت موتور به G/PE.
آرایش فوق بهصورت صریح در نقشه سیمکشی درج شده است.
باس DC (برای تجهیزات جانبی قدرت):
ترمینالها: P(+) و N(-).
این پایانهها محل اتصال واحد ترمز دینامیکی (DBU) و راکتور DC (DCR) هستند (بسته به مدل/فریم).
ترمز دینامیکی (DB/DBU):
0.75–22 kW: واحد ترمز دینامیکی بهصورت داخلی موجود است؛ تنها مقاومت ترمز به ترمینال مربوطه متصل میشود (در دیاگرام با عنوان Braking resistor (Option) روی خود درایو مشخص شده است).
30–75 kW و بالاتر: استفاده از DB Unit خارجی مطابق نقشه «Peripheral Devices» الزامی/مرسوم است:
- اتصال P و N واحد DBU به P/N درایو،
- اتصال مقاومت ترمز به ترمینالهای B1/B2 روی DBU،
- اتصال ارت DBU به G/E.
- آرایش و نامگذاری ترمینالهای DBU و نحوه سیمکشی در جداول و شکلهای دیتاشیت آمده است.
راکتور DC (DCR):
در مدلهای Non-DCR (بهویژه 400V، 30–75 kW) برای نصب راکتور DC باید جامپر/شورت P1 و P2 برداشته شود؛ این نکته صراحتاً در بخش DC Reactor Specifications در دیتا شیت اینورتر LS is7 ذکر شده است.
زمینکردن (Protective Earth):
بدنه درایو و موتور از طریق G/PE زمین شود.
در صورت استفاده از DBU، ترمینال G/E واحد ترمز نیز طبق دیاگرام به زمین متصل گردد.
تفاوت آرایش ترمینالها در دو بازه توان (مطابق شکل دیتاشیت):
0.75–22 kW: نمایش مستقیم Braking resistor (Option) روی خود درایو و اتصال آن به باس P(+)/N(-).
دیاگرام ورودی/خروجیهای کنترلی اینورتر الاس IS7
دامنه و نوع I/O روی خود درایو
0.75-22kW: برد Basic I/O بهصورت پیشفرض.
30-375kW: برد Insulated I/O با ایزولاسیون بالاتر.
چیدمان و نمادگذاری ترمینالها در دیاگرام دیتاشیت بهصورت شفاف آمده است.
ورودیهای دیجیتال (P1-P8) در درایو LS IS7
P1-P8 ورودیهای چندمنظوره و قابلبرنامهریزی هستند.
قابل انتخاب در هر دو منطق Sink/Source (سازگار با NPN/PNP).
نگاشت پیشفرض فرمانها:
- P1(FX) حرکت رو به جلو
- P2(RX) حرکت رو به عقب
- P3(BX) توقف لحظهای
- P4(RST) ریست
- P5(Sp-L) انتخاب سرعت پایین
- P6(Sp-M) انتخاب سرعت میانی
- P7(Sp-H) انتخاب سرعت بالا
- P8(Jog) حرکت لحظهای
ترمینال مشترک ورودیها:
0.75-22kW → 5G(CM)
30-375kW → CM
ورودیهای آنالوگ
V1: مرجع ولتاژی 0-10V یا -10-+10V (قابل انتخاب از پارامترها).
VR+/VR-: ورودی پتانسیومتر توصیهشده 1-5 کیلو اهم با توان >=0.5W.
I1: مرجع جریانی 0-20mA/4-20mA.
منابع تغذیه کمکی آنالوگ روی برد: +12V/100mA و -12V/100mA.
خروجیهای آنالوگ و دیجیتال
AO1(0-10V) و AO2(0-20mA) برای مانیتورینگ کمیتهایی مانند سرعت/فرکانس/جریان (قابل تخصیص از پارامترها).
Q1(Open-Collector) برای اعلام وضعیتهایی مانند RUN/FAULT/بهسرعترسیدن.
Relay1/Relay2(N.O.) با پایانههای A1-C1 و A2-C2 برای آلارم/وضعیتهای سیستمی.
ارتباط سریال داخلی
پورت RS-485 با ترمینالهای S+/S- روی ترمینالبلوک.
ترمینال TR برای مقاومت انتهایی 120اهم در انتهای باس (فعالسازی فقط در انتهای فیزیکی شبکه توصیه میشود).
تغذیه کمکی و پایانههای کمکی در درایو LS IS7
ترمینال 24: External24V Power(Max150mA) برای تغذیه سنسورها/کنتاکتهای بیرونی.
ترمینالهای 5G(CM)/CM بهعنوان Common طبق رنج توان استفاده میشوند.
اجزای مختلف درایو LS IS7
- Front cover (top)
قاب جلوی بالایی؛ پوششدهندهی بخشهای کنترلی و محفظهی کیپد.
برای سرویس یا دسترسی به بردها/ترمینالها برداشته میشود.
- Front cover (bottom)
قاب جلوی پایینی؛ محافظ ناحیهی ترمینالهای قدرت و ارت.
در زمان سیمبندی ورودی/خروجی قدرت باز میشود و پس از اتمام نصب بسته میماند.
- Keypad
واحد نمایش/فرمان؛ برای تنظیم پارامترها، مانیتورینگ و راهاندازی.
قابل جداسازی است و امکان نصب روی درب تابلو یا استفاده با کابل رابط را دارد.
در بعضی مدلها IP54 keypad cover برای حفاظت محیطی روی آن قرار میگیرد.
- Control terminal block
بلوک ترمینال کنترل با ولتاژ پایین؛ محل اتصال فرمانها و سیگنالها.
بهطور معمول شامل ورودیهای دیجیتال P1-P8، ورودیهای آنالوگ V1/I1، خروجیهای AO، رلههای آلارم/وضعیت، پورت RS-485(S+/S-) و ترمینال TR برای ترمینیشن است.
برای حفظ ایمنی و نویز پایین، سیمهای این بخش از مسیر کابلهای قدرت جدا عبور داده میشوند.
- Power terminal block
بلوک ترمینال قدرت؛ محل اتصال ورودی سهفاز شبکه و خروجی سهفاز به موتور.
بهطور معمول پایانههای R(L1)/S(L2)/T(L3) برای ورودی، U/V/W برای خروجی، و پایانههای باس DC مانند P(+)/N(-) در همین ناحیه قرار دارند.
اتصال تجهیزات جانبی قدرت (نظیر واحد ترمز یا راکتور DC) نیز از همین ناحیه انجام میشود.
- Ground terminal (PE)
ترمینال زمین حفاظتی شاسی؛ اتصال الزامی برای ایمنی برقگرفتگی و تخلیهی نویز.
ارت موتور نیز به همین نقطهی PE تابلو متصل میشود.
- Cooling fan
فن خنککنندهی داخلی؛ ایجاد جریان هوا برای دفع حرارت قطعات قدرت.
مسیر ورود/خروج هوا باید باز بماند و گردوغبار بهصورت دورهای پاکسازی شود.
- Heatsink
هیتسینک در نمای پشتی؛ انتقال حرارت از ماژولهای قدرت به محیط.
رعایت فاصلهی نصب پیرامون هیتسینک برای گردش هوا ضروری است.
- PLC board (optional)
برد اختیاری PLC برای منطق محلی، توسعهی I/O و زمانبندی داخلی.
روی اسلات گزینهای نصب میشود و مستقل از ترمینالهای پایهی کنترل عمل میکند.
- PROFIBUS board (optional)
برد اختیاری شبکه برای یکپارچهسازی با PLCهای مبتنی بر Profibus-DP.
راهاندازی آن شامل آدرسدهی و نقشهبرداری سیگنالها مطابق مستند برد است.
لیست قیمت اینورتر LS IS7
برای خرید و دریافت لیست قیمت اینورتر LS IS7 بهروز و دستهبندیشده بر اساس توان/کلاس ولتاژ (200-230Vac و 380-480Vac)؛ امکان فیلتر برحسب مدلهای SV و گزینههای EMC/DCR. از لینک زیر دریافت کنید:
لیست قیمت درایو LS IS7
خرید اینورتر LS IS7 با گارانتی معتبر، مشاوره فنی برای انتخاب CT/VT، اعلام موجودی لحظهای و ارسال سریع به سراسر کشور.
نتیجهگیری تخصصی
خرید اینورتر LS IS7 با ترکیب برداری سنسوردار/سنسورلس، اتوتیون پیشرفته، ماژولهای شبکه صنعتی گسترده و گزینههای PLC/Encoder/Synchronous/STO، یک «استانداردِ پرفورمنس» برای پروژههای حرفهای بهحساب میآید. اگر به گشتاور قوی در سرعت پایین، توقف سریع و پایدار، قابلیتهای PID و شبکهای متنوع نیاز دارید، iS7 انتخابی مطمئن و مقرونبهصرفه نسبت به درایوهای High-End است. برای دریافت قیمت و خرید اینورتر LS IS7 یا فروش اینورتر LS IS7، حتماً کد مدل دقیق، Duty، EMC/DCR، Fieldbus و DBU را در استعلام قید کنید تا قیمت اینورتر LS IS7 بر همان اساس و مطابق دیتاشیت اینورتر LS IS7 اعلام شود.
خرید و دریافت دیتاشیت و لیست قیمت اینورتر LS IS7
خرید مطمئن با انتخاب مهندسی: اگر قصد دریافت قیمت و خرید اینورتر LS IS7 برای پروژه جدید یا جایگزینی دارید، مشخصات موتور و نوع بار (CT/VT)، نیاز به DB/مقاومت ترمز و شبکه صنعتی را ارسال کنید تا مدل دقیقی معرفی شود.
فیلدهای پیشنهادی فرم: توان kW، ولتاژ 200-230Vac/380-480Vac، نوع بار CT/VT، نیاز به DBU/Resistor، نوع Fieldbus، درجه حفاظت(IP21/IP54)
فروش سازمانی و پروژهای: برای دریافت قیمت و خرید اینورتر LS IS7 در تعداد عمده یا همکاری پیمانکاری، درخواست همکاری خود را ثبت کنید تا شرایط تحویل، گارانتی اعلام شود.
پرسشهای متداول
❓ در نصب و راهاندازی iS7 چه نکات کلیدی را رعایت کنم؟
بله؛ iS7 با ۱۵۰٪ گشتاور در ۰٫۱ Hz (سنسورلس) و ۲۵۰٪ لحظهای (سنسوردار)، بههمراه Droop، KEB و Flux/Power Braking برای بارهای سنگین و توقفهای سریع مناسب است.
CT برای گشتاور ثابت (اکسترودر/بالابر/کمپرسور) و VT برای گشتاور متغیر (پمپ/فن) است؛ جریان نامی و ظرفیت بر اساس CT/VT در جداول جداگانه مشخص شدهاند.
بله؛ از Modbus-RTU تا PROFINET / CC-Link IE / EtherNet-IP از طریق کارتهای آپشن در Slot #1.
برای ۰٫۷۵–۱۶۰ kW باید مدل T-type را از کارخانه سفارش دهید؛ برای ۱۸۵–۳۷۵ kW قابل نصب میدانی است.
در ۰٫۷۵–۲۲ kW، ترانزیستور DB داخلی است؛ در توانهای بالاتر باید DBU/مقاومت ترمز طبق جدول انتخاب شود.
بله؛ دارای گواهیهای DNV / BV / ABS / KR در بازههای ظرفیت مشخص.
تفکیک کابل قدرت/کنترل، زمینکردن صحیح، پرهیز از نصب کنتاکتور/خازن/فیلتر خروجی روی U/V/W، و انتخاب راکتور/فیلتر EMC مناسب.
نمایش 1–20 از 36 نتیجه








